Описание модели VTE 6-0112
Сухой пластинчато-роторный вакуумный насос Elmo Rietschle VTE 6-0112 создан для работы с чистым воздухом и инертными газовыми смесями. Он способен откачать закрытый объем воздуха до остаточного давления 150 мбар. Насос работает без применения масла в рабочей камере, используется в приложениях, где важно, чтобы воздух на выходе оставался чистым и безопасным.
Модель имеет компактные габариты и уровень звука 57 дБ, комплектуется трубным соединением на входе и глушителем выхлопных газов на выходе. Весь обрабатываемый воздух фильтруется с помощью встроенного фильтра.
Приводный двигатель и насос имеют общий вал. Вентилятор двигателя охлаждает корпус двигателя и насоса.
Объемный расход воздуха до 6 м3/ч (100 л/мин), предельное остаточное давление до 150 мбар.
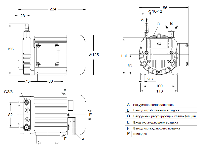
Всасывающее отверстие G 3/8 ".
Мощность приводного двигателя 0,25 кВт, стандартное питание 220 В.
Условия эксплуатации
Относительная влажность воздуха 30 - 90 %.
Рабочая температура 5 - 40 °C.
Комплект поставки
- Насос
- Документация: руководство по эксплуатации, декларация о соответствии, список запасных частей, технический паспорт.
График рабочих характеристик насоса Elmo Rietschle VTE 6-0112
Габаритный чертеж насоса Elmo Rietschle VTE 6-0112
У нас пока нет отзывов по этой модели.
В настоящее время никто вопросов не задавал. Вы можете быть первым.




































_1.jpg)





























































































































































































































































Гарантия 12 мес.