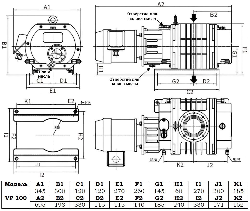
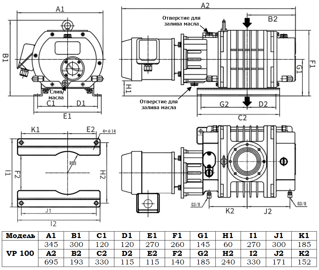
Описание модели VP 100
Бустерный вакуумный насос Roots VP 100 позволяет создать глубокий вакуум в промышленных или лабораторных условиях. Полное остаточное давление достигает 0,004 мбар (0,4 Па). Насос выполнен с высоким запасом прочности и рассчитан на продолжительную интенсивную эксплуатацию. Вакуумное масло в процессе работы выполняет сразу три функции – охлаждения, смазки и герметизации.
Максимальное допустимое давление на входе при непрерывной работе – 13 мбар.
Объемный расход насоса до 95 м³/ч (1583,3 л/мин), предельное остаточное давление до 0.004 мбар.
Вакуумное подсоединение: VG 50 мм.
Мощность двигателя 0,4 кВт, 900 об/мин, стандартное питание 380 В.
Уровень шума: 68 дБ.
Габаритный чертеж модели Roots VP 100
У нас пока нет отзывов по этой модели.
В настоящее время никто вопросов не задавал. Вы можете быть первым.




































_1.jpg)






























































































































































































































































Гарантия 18 мес.