Описание модели VP 2200
Бустерный вакуумный насос Roots VP 2200 позволяет создать глубокий вакуум в промышленных или лабораторных условиях. Полное остаточное давление достигает 0,004 мбар (0,4 Па). Насос выполнен с высоким запасом прочности и рассчитан на продолжительную интенсивную эксплуатацию. Вакуумное масло в процессе работы выполняет сразу три функции – охлаждения, смазки и герметизации.
Максимальное допустимое давление на входе при непрерывной работе – 80 мбар.
Объемный расход до 2000 м³/ч (33333,3 л/мин), предельное остаточное давление до 0.004 мбар.
Вакуумное подсоединение: вход – ISO 160 мм, выход – ISO 100 мм.
Мощность двигателя: 7,5 кВт, 900 об/мин, питание – 380 В.
Уровень шума: 70 дБ.
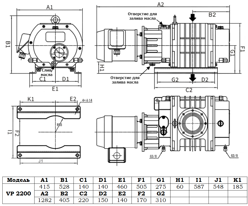
Габаритный чертеж модели Roots VP 2200
У нас пока нет отзывов по этой модели.
В настоящее время никто вопросов не задавал. Вы можете быть первым.




































_1.jpg)






























































































































































































































































Гарантия 18 мес.