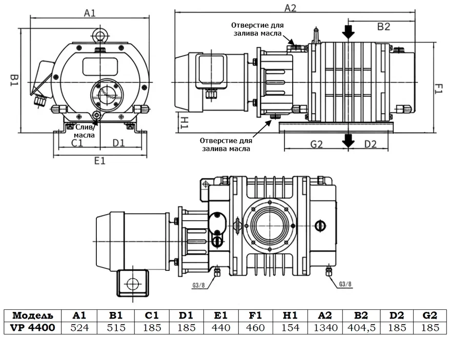
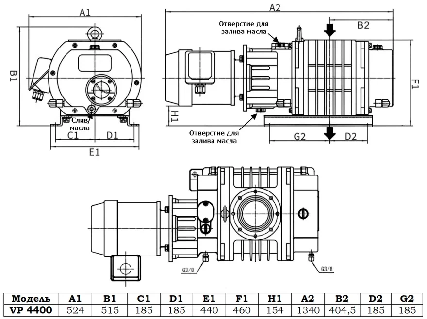
Описание модели VP 4400
Бустерный вакуумный насос Roots VP 4400 позволяет создать глубокий вакуум в промышленных или лабораторных условиях. Полное остаточное давление достигает 0,004 мбар (0,4 Па). Насос выполнен с высоким запасом прочности и рассчитан на продолжительную интенсивную эксплуатацию. Вакуумное масло в процессе работы выполняет сразу три функции – охлаждения, смазки и герметизации.
Максимальное допустимое давление на входе при непрерывной работе – 1000 мбар.
Объемный расход до 4140 м³/ч (69000 л/мин).
Вакуумное подсоединение: вход – ISO 250 мм, выход – ISO 100 мм.
Мощность двигателя 11 кВт, 900 об/мин, стандартное питание 380 В.
Уровень шума: 70 дБ.
Габаритный чертеж модели Roots VP 4400
У нас пока нет отзывов по этой модели.
В настоящее время никто вопросов не задавал. Вы можете быть первым.




































_1.jpg)






























































































































































































































































Гарантия 18 мес.