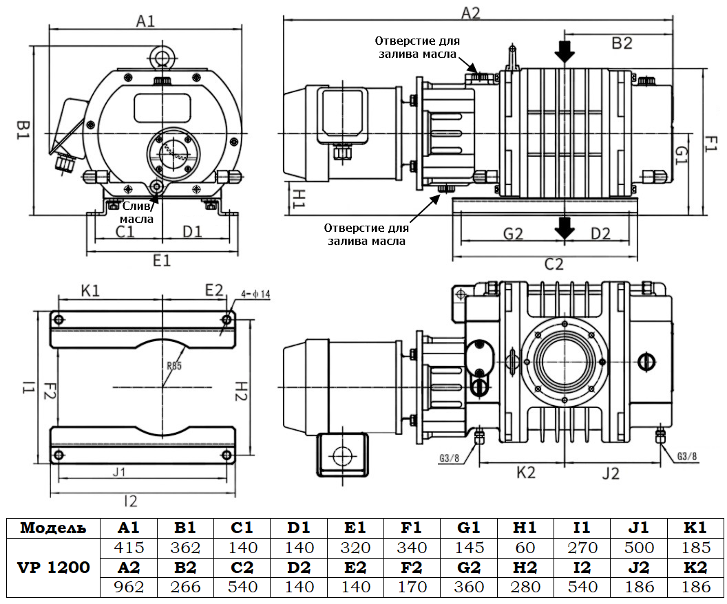
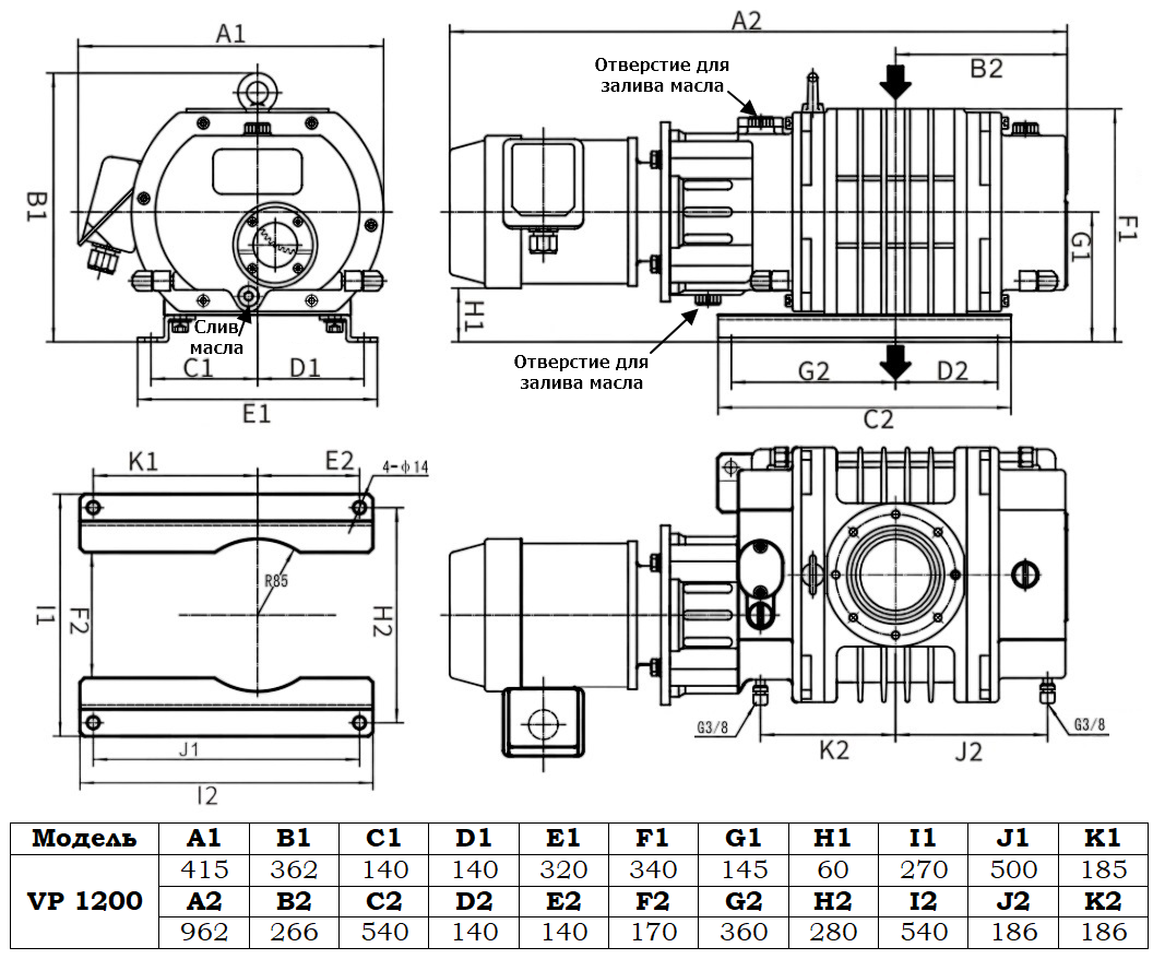
Описание модели VP 1200
Бустерный вакуумный насос Roots VP 1200 позволяет создать глубокий вакуум в промышленных или лабораторных условиях. Полное остаточное давление достигает 0,004 мбар (0,4 Па). Насос выполнен с высоким запасом прочности и рассчитан на продолжительную интенсивную эксплуатацию. Вакуумное масло в процессе работы выполняет сразу три функции – охлаждения, смазки и герметизации.
Максимальное допустимое давление на входе при непрерывной работе – 13 мбар.
Объемный расход до 1000 м³/ч (16666,7 л/мин).
Вакуумное подключение: вход – VG 100 мм, выход – VF 80 мм
Мощность двигателя: 3,7 кВт, 900 об/мин, питание – 380 В.
Уровень шума: 68 дБ.
Габаритный чертеж модели Roots VP 1200
У нас пока нет отзывов по этой модели.
В настоящее время никто вопросов не задавал. Вы можете быть первым.




































_1.jpg)






























































































































































































































































Гарантия 18 мес.