Описание модели VP 600
Бустерный вакуумный насос Roots VP 600 позволяет создать глубокий вакуум в промышленных или лабораторных условиях. Полное остаточное давление достигает 0,004 мбар (0,4 Па). Насос выполнен с высоким запасом прочности и рассчитан на продолжительную интенсивную эксплуатацию. Вакуумное масло в процессе работы выполняет сразу три функции – охлаждения, смазки и герметизации.
Максимальное допустимое давление на входе при непрерывной работе – 13 мбар.
Объемный расход: до 500 м³/ч (8333,3 л/мин)
Вакуумное подключение: вход – VG 100 мм, выход – VF 80 мм
Мощность двигателя: 2,2 кВт, 900 об/мин, питание – 380 В
Уровень шума: 68 дБ
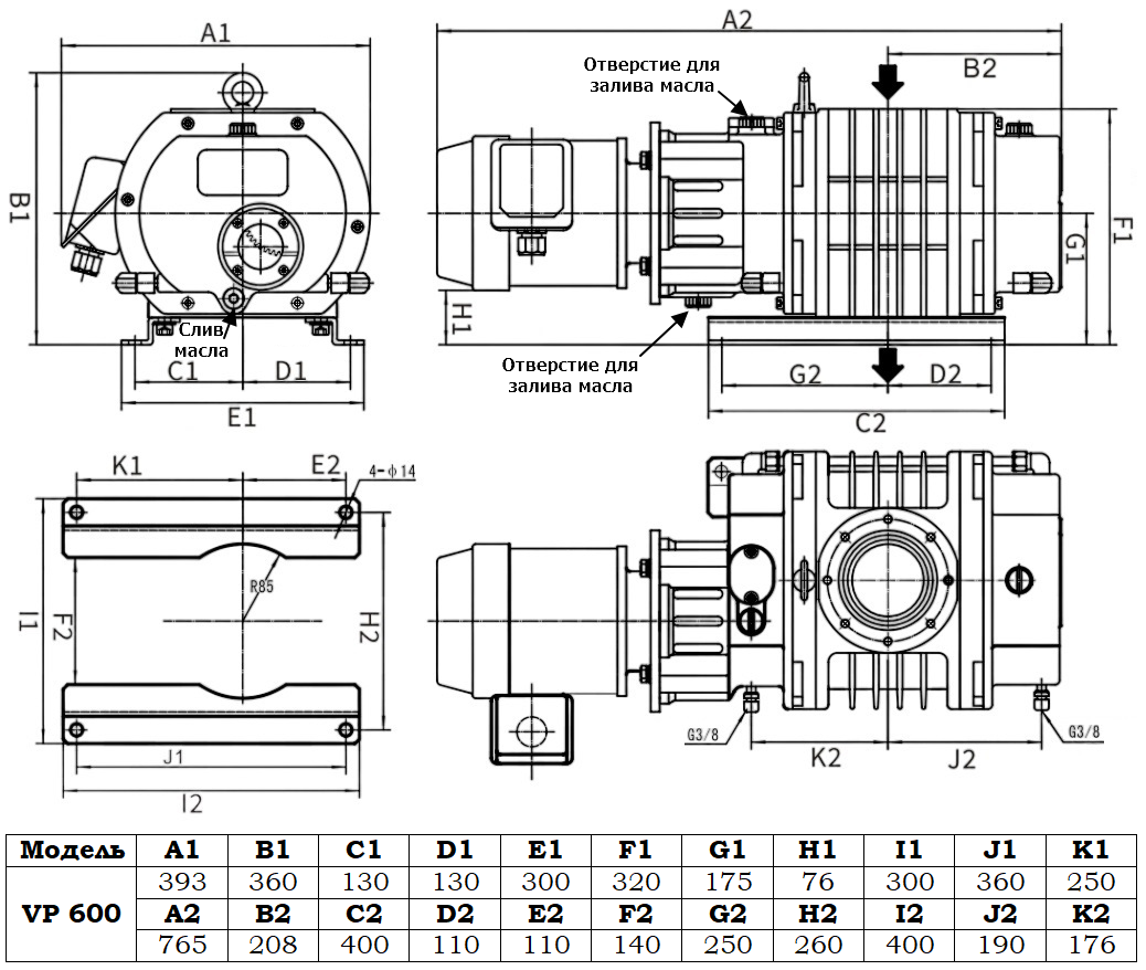
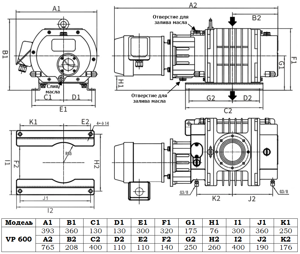
Габаритный чертеж модели Roots VP 600
У нас пока нет отзывов по этой модели.
В настоящее время никто вопросов не задавал. Вы можете быть первым.




































_1.jpg)






























































































































































































































































Гарантия 18 мес.