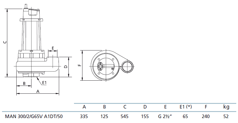
Описание модели MAN 300/2/G65V A1DT5
Погружной дренажный насос Zenit MAN 300/2/G65V A1DT5 может перекачивать чистую и дренажную воду, густые биологические и канализационные жидкости с твердыми телами.
Модель имеет чугунный корпус и чугунную одноканальную открытую крыльчатку, которая обеспечивает более высокую стойкость к загрязнению и заклиниванию. Особая обработка гидравлической части помогает выбрасывать взвешенные твердые тела и предотвращает блокировку крыльчатки. Свободный проход твердых частиц до 40 мм.
У насоса вертикальный резьбовой напорный патрубок 65 мм и удобная рукоятка. Внутри расположены механические уплотнения из карбида кремния установленные серийно в масляном осматриваемом колодце.
Насос оборудован системой кабельной муфты для обеспечения отличной водонепроницаемости.
Насос устанавливают на грунт на дополнительно приобретаемую опору с глубиной погружения до 20 метров. Так же допускается вертикальная и горизонтальная сухая установка насоса с системой охлаждения. Для охлаждения насоса можно использовать откачиваемую жидкость, если она не очень вязкая, не имеет много твердых частиц, или жидкость из внешнего источника.
Возможна поставка во взрывозащищенной версии ATEX для полупогружной или сухой установки.
Производительность насоса до 63 м3/час (от 240 до 1050 л/мин), напор до 20,6 м вод. ст. При этом оптимальная рабочая точка 28,8 м3/час (480 л/мин) при давлении 12,4 м вод. ст.
Насос оснащен электродвигателем мощностью 2,2 кВт и тепловой защитой внутри статора. По запросу может быть оборудован датчиком для обнаружения протечек воды через механическое уплотнение. Рассчитан на 30 запусков в час.
Габаритный чертеж насоса Zenit MAN 300/2/G65V A1DT5
Кривые производительности
У нас пока нет отзывов по этой модели.
В настоящее время никто вопросов не задавал. Вы можете быть первым.




































_1.jpg)




























































































































































































































































