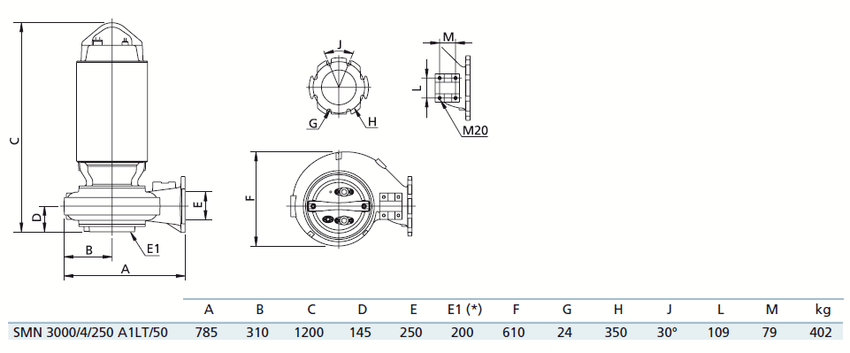
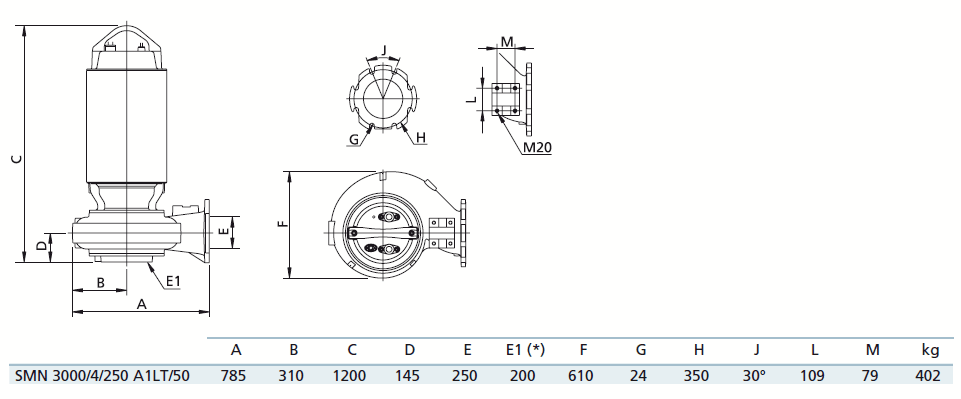
Описание модели SMN 3000/4/250 A1LT5
Погружной дренажный насос Zenit SMN 3000/4/250 A1LT5 используется для откачивания грязных жидкостей с содержанием твердых тел и биологических отфильтрованных жидкостей. Этот наиболее сильный насос находит применение в очистных сооружениях, в подъеме канализационных стоков и перекачке промышленного шлама.
Модель имеет чугунный корпус и чугунную одноканальную закрытую крыльчатку. Большой свободный интегральный просвет позволяет выброс твердых тел, что предотвращает блокировку. Свободный проход твердых частиц до 130 мм.
У насоса горизонтальный фланцевый напорный патрубок 250 мм и удобная рукоятка. Внутри расположены механические уплотнения из карбида кремния, установленные серийно в масляном осматриваемом колодце.
Насос оборудован системой кабельной муфты для обеспечения водонепроницаемости.
Насос устанавливается на грунт на дополнительно приобретаемую опору на глубину до 20 метров.
По запросу поставляются насосы с системой охлаждения для вертикальной и горизонтальной сухой установки. В качестве охлаждающей жидкости можно использовать откачиваемую жидкость, если она не очень вязкая, не имеет много примесей, или жидкость, поступающую из внешнего источника.
Производительность насоса до 612 м3/час (10200 л/мин), напор до 28,2 м вод. ст. При этом оптимальная рабочая точка 421,2 м3/час (7020 л/мин) при давлении 11,5 м вод. ст.
Насос оснащен электродвигателем мощностью 22 кВт, тепловой защитой внутри статора и датчиком для обнаружения протечек воды через механическое уплотнение. Датчик необходимо подключить к электрощитку, чтобы он сигнализировал об износе первого механического уплотнения и, тем самым, предотвратить ущерб двигателю. Рассчитан на 20 запусков в час.
Габаритный чертеж насоса Zenit SMN 3000/4/250 A1LT5
Кривые производительности
У нас пока нет отзывов по этой модели.
В настоящее время никто вопросов не задавал. Вы можете быть первым.




































_1.jpg)




























































































































































































































































