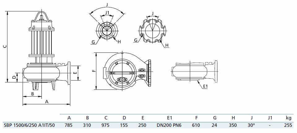
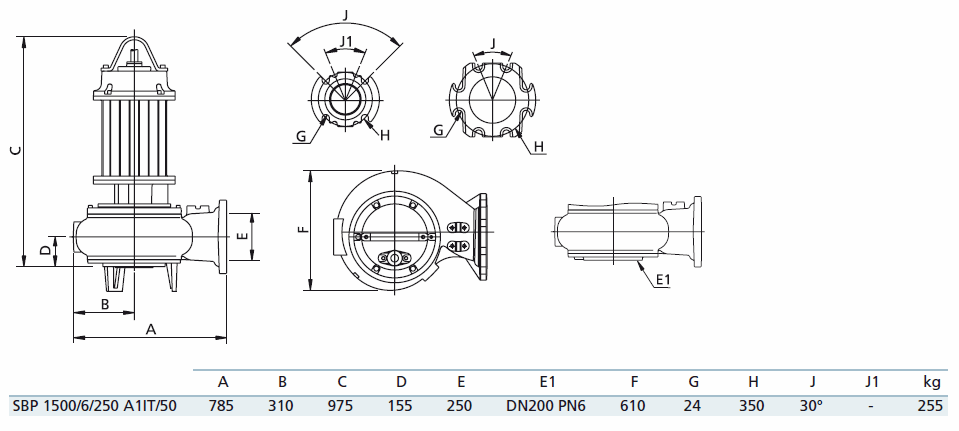
Описание модели SBP 1500/6/250 A1IT5
Погружной дренажный насос Zenit SBP 1500/6/250 A1IT5 относится к серии насосов средней мощности, используемых для грязной воды с твердыми телами и другими активными осадками. Данная модель применяется в очистных сооружениях, системах канализации, установках для подъема стоков и им подобных устройствах.
Модель имеет чугунный корпус и чугунную двухканальную закрытую крыльчатку. Большой свободный интегральный просвет позволяет выброс твердых тел, что предотвращает блокировку. Свободный проход твердых частиц до 140 мм.
У насоса горизонтальный фланцевый напорный патрубок 250 мм и удобная рукоятка. Внутри находятся механические уплотнения из карбида кремния, установленные серийно в осматриваемой масляной камере и одно механическое оппозитное уплотнение из графито-глиноземной смеси, смазываемое моторным маслом.
Насос устанавливают на грунт на дополнительно приобретаемую опору на глубину до 20 метров.
По запросу поставляются насосы с системой охлаждения для вертикальной и горизонтальной сухой установки. В качестве охлаждающей жидкости можно использовать откачиваемую жидкость, если она не очень вязкая, не имеет много примесей, или жидкость, поступающую из внешнего источника.
Производительность насоса до 835 м3/час (13916 л/мин), напор до 14,5 метров водяного столба. При этом оптимальная рабочая точка 504 м3/час (8400 л/мин) при давлении 6,7 метра водяного столба.
Насос оснащен электродвигателем мощностью 12,3 кВт, тепловой защитой внутри статора. По запросу может быть оборудован датчиком для обнаружения протечек воды через механическое уплотнение. Рассчитан на 20 запусков в час.
Габаритный чертеж насоса Zenit SBP 1500/6/250 A1IT5
Кривые производительности
У нас пока нет отзывов по этой модели.
В настоящее время никто вопросов не задавал. Вы можете быть первым.




































_1.jpg)




























































































































































































































































