Описание модели SBP 1500/6/200 A1IT5
Погружной дренажный насос Zenit SBP 1500/6/200 A1IT5 относится к серии насосов средней мощности, используемых для грязной воды с твердыми телами и другими активными осадками. Данная модель применяется в очистных сооружениях, системах канализации, установках для подъема стоков и им подобных устройствах.
Модель имеет чугунный корпус и чугунную двухканальную закрытую крыльчатку. Большой свободный интегральный просвет позволяет выброс твердых тел, что предотвращает блокировку. Свободный проход твердых частиц до 140 мм.
У насоса горизонтальный фланцевый напорный патрубок 200 мм и удобная рукоятка. Внутри находятся механические уплотнения из карбида кремния, установленные серийно в осматриваемой масляной камере и одно механическое оппозитное уплотнение из графито-глиноземной смеси, смазываемое моторным маслом.
Насос устанавливают на грунт на дополнительно приобретаемую опору на глубину до 20 метров.
По запросу поставляются насосы с системой охлаждения для вертикальной и горизонтальной сухой установки. В качестве охлаждающей жидкости можно использовать откачиваемую жидкость, если она не очень вязкая, не имеет много примесей, или жидкость, поступающую из внешнего источника.
Производительность насоса до 684 м3/час (11400 л/мин), напор до 14,8 м вод. ст. При этом оптимальная рабочая точка 432 м3/час (7200 л/мин) при давлении 7,5 м вод. ст.
Насос оснащен электродвигателем мощностью 12,3 кВт, тепловой защитой внутри статора. По запросу может быть оборудован датчиком для обнаружения протечек воды через механическое уплотнение. Рассчитан на 20 запусков в час.
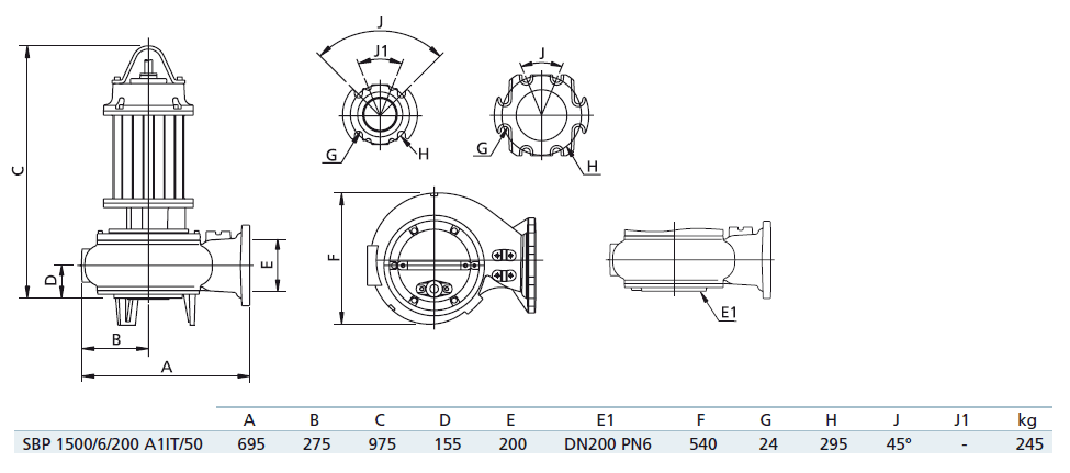
Габаритный чертеж насоса Zenit SBP 1500/6/200 A1IT5
Кривые производительности
У нас пока нет отзывов по этой модели.
В настоящее время никто вопросов не задавал. Вы можете быть первым.




































_1.jpg)




























































































































































































































































