Описание модели SBP 1000/6/250 C0IT5
Погружной дренажный насос Zenit SBP 1000/6/250 C0IT5 относится к серии насосов средней мощности, используемых для грязной воды с твердыми телами и другими активными осадками. Данная модель применяется в очистных сооружениях, системах канализации, установках для подъема стоков и им подобных устройствах.
Модель имеет чугунный корпус и чугунную двухканальную закрытую крыльчатку. Большой свободный интегральный просвет позволяет выброс твердых тел, что предотвращает блокировку.Свободный проход твердых частиц до 100 мм.
У насоса горизонтальный фланцевый напорный патрубок 250 мм и удобная рукоятка. Внутри находятся механические уплотнения из карбида кремния, установленные серийно в осматриваемой масляной камере и одно механическое оппозитное уплотнение из графито-глиноземной смеси, смазываемое моторным маслом.
Насос устанавливают на грунт на дополнительно приобретаемую опору на глубину до 20 метров.
По запросу поставляются насосы с системой охлаждения для вертикальной и горизонтальной сухой установки. В качестве охлаждающей жидкости можно использовать откачиваемую жидкость, если она не очень вязкая, не имеет много примесей, или жидкость, поступающую из внешнего источника.
Производительность насоса до 576 м3/час (9600 л/мин), напор до 10,7 м вод. ст. При этом оптимальная рабочая точка 360 м3/час (6000 л/мин) при давлении 5.4 м вод. ст.
Насос оснащен электродвигателем мощностью 9,8 кВт, тепловой защитой внутри статора. По запросу может быть оборудован датчиком для обнаружения протечек воды через механическое уплотнение. Рассчитан на 20 запусков в час.
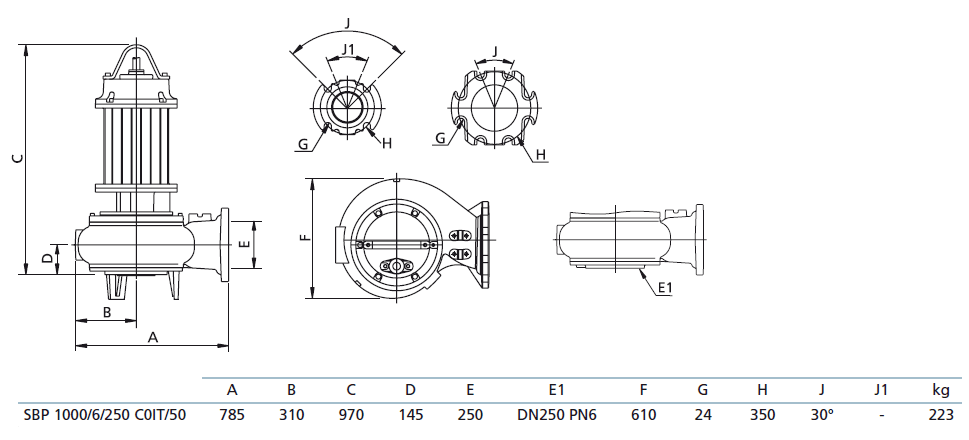
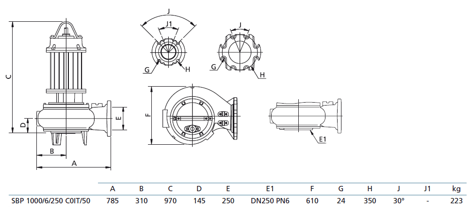
Габаритный чертеж насоса Zenit SBP 1000/6/250 C0IT5
Кривые производительности
У нас пока нет отзывов по этой модели.
В настоящее время никто вопросов не задавал. Вы можете быть первым.




































_1.jpg)




























































































































































































































































