Видео
Анимация: принцип работы
Как работает центробежный насос с магнитной муфтой
Выбираем насос для химии
Как выбрать насос для кислоты и другой химии
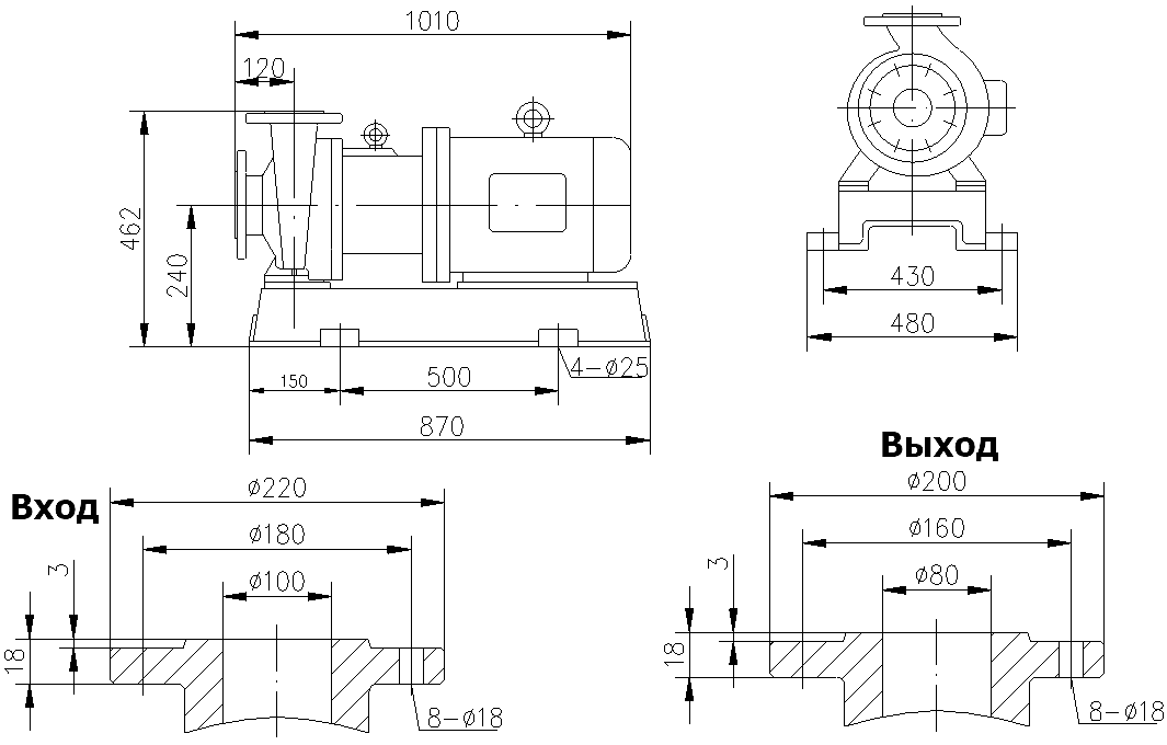
Описание модели CQB 100-80-160-Nd-PPS-185
Герметичный химический насос CQB 100-80-160-Nd-PPS-185 – это футерованный фторопластом центробежный насос с неодимовой магнитной муфтой. Насос перекачивает высококонцентрированные органические и неорганические кислоты, соединения, щелочи плотностью 1,2 кг/дм³ (1200 кг/м³). Корпус насоса изготовлен из чугуна HT200, внутренняя футеровка корпуса и рабочее колесо выполнены из фторопласта FEP. Чугун обеспечивает насосу механическую прочность, а фторопласт высокую химическую стойкость. Неодимовая магнитная муфта надежно защищает насос от риска утечки перекачиваемой жидкости.
Модель рассчитана на промышленное применение в нефтяной, химической, фармацевтической, гальванической, пищевой, металлургической, электротехнической, научно-исследовательской отрасли.
Производительность насоса до 120 м³/ч (2000 л/мин), напорное давление до 36 м.вод.ст.
Рабочая точка модели 100 м³/ч при 32 м.вод.ст.
Всасывающий патрубок DN 100 мм. Нагнетательный патрубок DN 80 мм.
Приводом насоса служит трехфазный двигатель 380 В, 2900 об/мин (2Р), мощностью 18,5 кВт.
Во избежание критической нагрузки на двигатель важно учитывать допустимую плотность перекачиваемой жидкости.
Конструкция и материалы насоса

- Чугун с футеровкой FEP (фторированный этилен-пропилен)
- Фторкаучук (FKM)
- Карбид кремния (SiC)
- Углерод (армированный углеродным волокном)
- Неодимовый магнит с покрытием из FEP
- Нитрид кремния
- Углерод (армированный углеродным волокном)
- и 8а. FEP + втулка из нержавеющей стали
- Чугун HT200
- Чугун HT200 со встроенными магнитами (неодимовыми)
- Чугун HT200
- Чугун HT200
Области применения
- Перевозка и хранение агрессивных продуктов
- Комплектация промышленных предприятий оборудованием
- Водоподготовка
- Химическое производство
- Энергетика
- Машиностроение
- Нефтяная отрасль
- Газодобывающая промышленность
Габаритный чертеж модели CQB 100-80-160-Nd-PPS-185




































_1.jpg)





























































































































































































































































Гарантия 12 мес.


