Видео
Анимация: принцип работы
Как работает центробежный насос с магнитной муфтой
Выбираем насос для химии
Как выбрать насос для кислоты и другой химии
Описание модели CQB 32-25-125-Fe-M-011
Герметичный химический насос CQB 32-25-125-Fe-M-011 – это фторопластовый центробежный насос с ферритовой магнитной муфтой. Насос перекачивает высококонцентрированные органические и неорганические кислоты, соединения, щелочи плотностью 1,3 кг/дм³ (1300 кг/м³). Корпус насоса и рабочее колесо выполнены из фторопласта FEP. Фторопласт обеспечивает насосу высокую химическую стойкость. Ферритовая магнитная муфта надежно защищает насос от риска утечки перекачиваемой жидкости.
Модель рассчитана на промышленное применение в нефтяной, химической, фармацевтической, гальванической, пищевой, металлургической, электротехнической, научно-исследовательской отрасли.
Производительность насоса до 7 м³/ч (116,7 л/мин), напорное давление до 22 м.вод.ст.
Рабочая точка модели 5,5 м³/ч при 20 м.вод.ст.
Всасывающий патрубок DN 32 мм. Нагнетательный патрубок DN 25 мм.
Приводом насоса служит трехфазный двигатель 380 В, 2900 об/мин (2Р), мощностью 1,1 кВт.
Во избежание критической нагрузки на двигатель важно учитывать допустимую плотность перекачиваемой жидкости.
Конструкция и материалы насоса

- Чугун с футеровкой FEP (фторированный этилен-пропилен)
- Фторкаучук (FKM)
- Карбид кремния (SiC)
- Углерод (армированный углеродным волокном)
- Ферритовый магнит с покрытием из FEP
- Нитрид кремния
- Углерод (армированный углеродным волокном)
- и 8а. FEP + втулка из нержавеющей стали
- Чугун HT200
- Чугун HT200 со встроенными магнитами (ферритовыми)
- Чугун HT200
- Чугун HT200
Области применения
- Перевозка и хранение агрессивных продуктов
- Комплектация промышленных предприятий оборудованием
- Водоподготовка
- Химическое производство
- Энергетика
- Машиностроение
- Нефтяная отрасль
- Газодобывающая промышленность
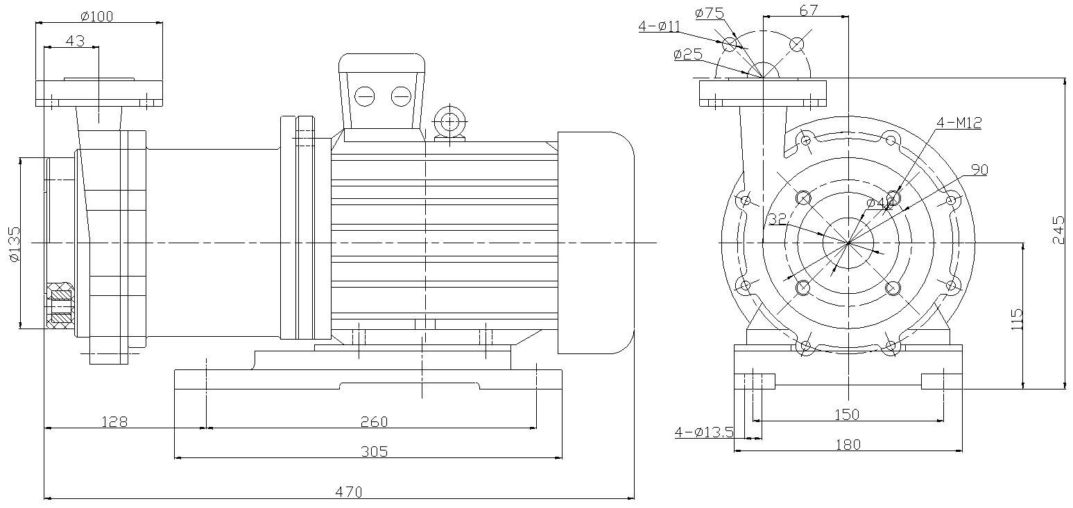
Габаритный чертеж модели CQB 32-25-125-Fe-M-011




































_1.jpg)






























































































































































































































































Гарантия 12 мес.


