Видео
Обзор
Химический вентилятор Zenova Fans MPC
Подробное сравнение

MAC и MPC сравнение химически стойких вентиляторов
Быстрое сравнение
Сравнение вентиляторов MAC и MPC
Описание модели MPC-F2S-250
Центробежный полипропиленовый вентилятор Zenova Fans MPC-F2S-250 служит для удаления дыма и агрессивных паров, применяется в системах вентиляции цехов, лабораторий, складов. Вентилятор рассчитан на подачу воздушных масс повышенной влажности, рабочее колесо выполнено из полипропилена, корпус из полиэтилена.
Температура перемещаемой среды до 60 °C.
Объёмный расход воздуха (производительность) до 4260 м³/ч, нагнетаемое давление 1200 Па (максимальные и номинальные значения производительности и давления измерены с точностью ± 15%).
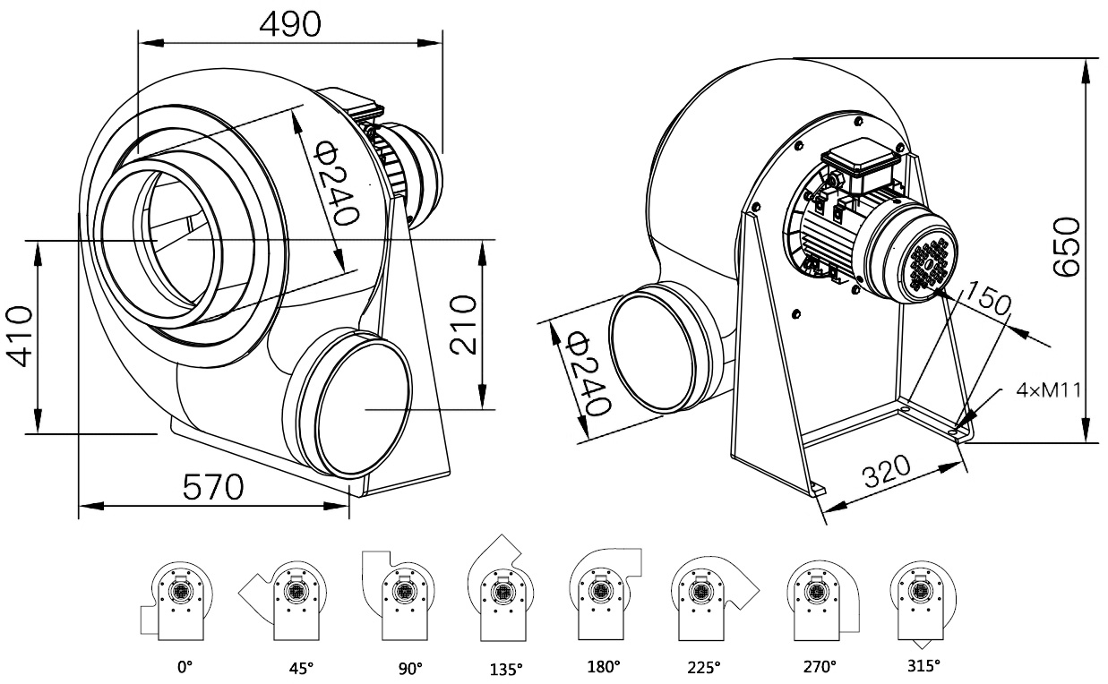
Присоединительные отверстия круглые, диаметром 250 мм.
Вентилятор оборудован асинхронным однофазным двигателем 220 В, 1,1 кВт, 2P, 2850 об/мин.
Управление скоростью выполняется с помощью преобразователя частоты.
Звуковое давление 75 дБ.
Конструкция
Конструкция вентиляторов включает в себя спиральный корпус (улитка), рабочее колесо, электродвигатель, кронштейн со стендом. Элементы проточной части выполнены из химически стойких, не чувствительных к коррозии материалов.
- Спиральный поворотный корпус изготовлен из полиэтилена (PE) белого цвета. У вентиляторов MPC восемь стандартных положений корпуса с шагом 45°. Присоединительные отверстия круглые, размером 150, 200, 250, 300 мм.
- Одностворчатое рабочее колесо с загнутыми назад лопатками выполнено из полипропилена (PP), сбалансировано по стандарту G 2,5 по DIN ISO 1940.
- Двигатель находится за пределами воздушного потока. Скорость двигателя может регулироваться преобразователями частоты в пределах 35-65 Гц (преобразователь частоты не входит в комплект).
- Кронштейн и металлический стенд покрыты эпоксидной краской в цвет двигателя. Крепежные элементы из нержавеющей стали 304.
Конструкция вентилятора MPC позволяет отсоединять двигатель без отстыковки корпуса вентилятора от вытяжного канала (у CRE этой функции нет).
Условия эксплуатации
- Температура перемещаемой среды до 60 °C
- Температура окружающей среды от -20 до 40 °C. Допустима эксплуатация на улице, но обязательно под навесом.
- Высота установки над уровнем моря не более 1000 м.
График характеристик Zenova Fans MPC-F2S-250
Габаритный чертеж модели MPC-F2S-250




































_1.jpg)


































































































































































































































































Гарантия 18 мес.

