Описание модели MK50AL-AL/ST/ST/ST
Диафрагменный пневматический насос MK50AL-AL перекачивает различные агрессивные, нейтральные, вязкие среды с твердыми частицами до 6 мм, приводится в действие сжатым воздухом давлением до 8,4 бара. Основные сферы применения насоса - это химическая и пищевая промышленность. Материалы конструкции должны соответствовать химическому составу и температуре обрабатываемой жидкости.
Возможные маркировки, в них зашифрованы материалы исполнения данной модели:
MK50AL-AL/ST/ST/ST - корпус и центральная часть из алюминия (AL), диафрагмы, клапана и седла из сантопрена (ST). Максимальная рабочая температура жидкости 82 °C;
MK50AL-AL/HY/HY/HY - корпус и центральная часть из алюминия (AL), диафрагмы, клапана и седла из хайтрела (HY). Максимальная рабочая температура жидкости 66 °C;
MK50AL-AL/TF/TF/TF - корпус и центральная часть из алюминия (AL), диафрагмы, клапана и седла из тефлона (TF). Максимальная рабочая температура жидкости 104 °C;
MK50AL-AL/VT/TF/VT - корпус и центральная часть из алюминия (AL), диафрагмы из витона (VT), клапана из тефлона (TF), седла из витона. Максимальная рабочая температура жидкости 135 °C;
MK50AL-AL/BN/BN/BN - корпус и центральная часть из алюминия (AL), диафрагмы, клапана и седла из нитрила (BN). Максимальная рабочая температура жидкости 82 °C.
Вес MK50AL-AL 27 кг.
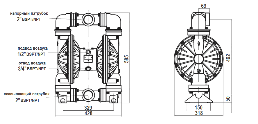
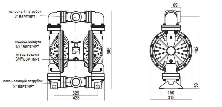
Производительность насоса имеет диапазон от 20 до 587 л/мин (от 1,2 до 35,22 м3/час) с предельным расходом воздуха 3,3 м3/мин (3300 л/мин), а максимальный напор достигает 84 метров при нулевой подаче. Высота самовсасывания по сухой линии до 5 м, в залитой линии до 8 м. Всасывающий и напорный патрубки 2" (BSPT). Штуцер подвода воздуха - 1/2" (BSPT).
График рабочих характеристик MK50AL-AL/ST/ST/ST
Габаритный чертеж насоса MK50AL-AL/ST/ST/ST
У нас пока нет отзывов по этой модели.
В настоящее время никто вопросов не задавал. Вы можете быть первым.




































_1.jpg)




























































































































































































































































Гарантия 12 мес.