Описание модели MK80PP-PP/ST/ST/PP
Диафрагменный пневматический насос MK80PP-PP перекачивает различные агрессивные, нейтральные, вязкие среды с твердыми частицами до 9,4 мм, приводится в действие сжатым воздухом давлением до 8,4 бара. Материалы конструкции должны соответствовать химическому составу и температуре обрабатываемой жидкости. Максимальная рабочая температура жидкости 66 °C
Возможные маркировки, в них зашифрованы материалы исполнения данной модели:
MK80PP-PP/ST/ST/PP - корпус и центральная часть из полипропилена (PP), диафрагмы и клапана из сантопрена (ST), седла из полипропилена;
MK80PP-PP/HY/HY/PP - корпус и центральная часть из полипропилена (PP), диафрагмы и клапана из хайтрела (HY), седла из полипропилена;
MK80PP-PP/TF/TF/PP - корпус и центральная часть из полипропилена (PP), диафрагмы и клапана из тефлона (TF), седла из полипропилена;
MK80PP-PP/VT/TF/PP - корпус и центральная часть из полипропилена (PP), диафрагмы из витона (VT), клапана из тефлона (TF), седла из полипропилена;
MK80PP-PP/BN/BN/PP - корпус и центральная часть из полипропилена (PP), диафрагмы и клапана из нитрила (BN), седла из полипропилена.
Вес MK80PP-PP 50 кг.
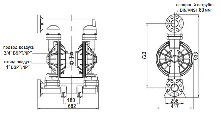
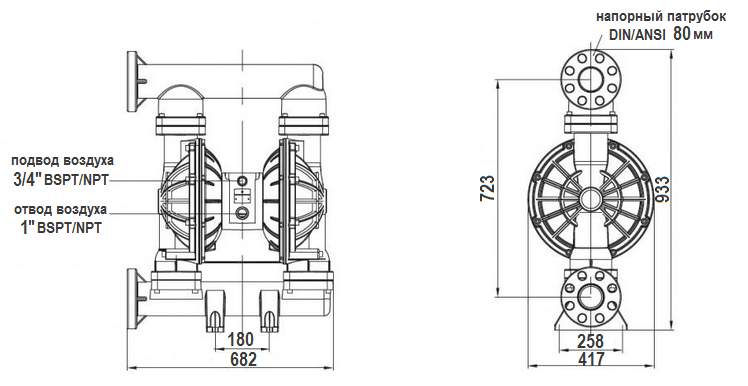
Производительность насоса имеет диапазон от 20 до 1060 л/мин (от 1,2 до 63,6 м3/час) с предельным расходом воздуха 9,8 м3/мин (9800 л/мин), а максимальный напор достигает 84 метров при нулевой подаче. Высота самовсасывания по сухой линии до 5 м, в залитой линии до 8 м. Всасывающий и напорный патрубки DIN 80 мм. Штуцер подвода воздуха - 3/4" (BSPT).
График рабочих характеристик MK80PP-PP/ST/ST/PP
Габаритный чертеж насоса MK80PP-PP/ST/ST/PP
У нас пока нет отзывов по этой модели.
В настоящее время никто вопросов не задавал. Вы можете быть первым.




































_1.jpg)




























































































































































































































































Гарантия 12 мес.