Описание модели MK80PP-KV/TF/TF/KV
Диафрагменный пневматический насос MK80PP-KV перекачивает любые кислоты и щелочи, нефтепродукты, органические растворители, различные вязкие среды с твердыми частицами до 9,4 мм, приводится в действие сжатым воздухом давлением до 8,4 бара.
Высокая химическая стойкость модели определяется материалами исполнения.
Корпус выполнен из кинара PVDF, центральная часть из полипропилена (PP), диафрагмы, клапана и седла из тефлона. Вес 90 кг. Максимальная рабочая температура жидкости 104 °C.
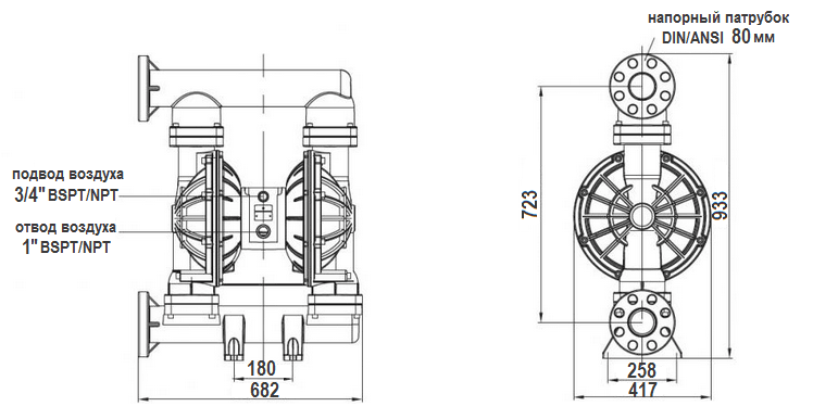
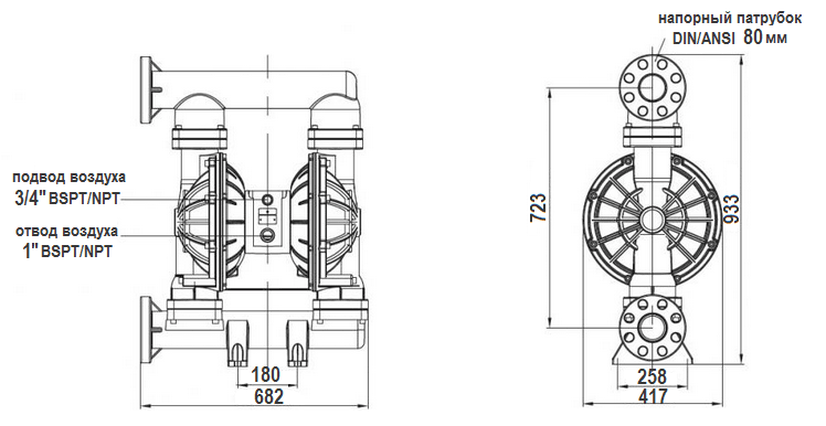
Производительность насоса имеет диапазон от 20 до 1060 л/мин (от 1,2 до 63,6 м3/час) с предельным расходом воздуха 9,8 м3/мин (9800 л/мин), а максимальный напор достигает 84 метров при нулевой подаче. Высота самовсасывания по сухой линии до 5 м, в залитой линии до 8 м. Всасывающий и напорный патрубки DIN 80 мм. Штуцер подвода воздуха - 3/4" (BSPT).
График рабочих характеристик MK80PP-KV/TF/TF/KV
Габаритный чертеж насоса MK80PP-KV/TF/TF/KV
У нас пока нет отзывов по этой модели.
В настоящее время никто вопросов не задавал. Вы можете быть первым.




































_1.jpg)




























































































































































































































































Гарантия 12 мес.