Описание модели MK80AL-SS/TF/TF/TF
Диафрагменный пневматический насос MK80AL-SS перекачивает различные агрессивные, нейтральные, вязкие среды с твердыми частицами до 9,4 мм, приводится в действие сжатым воздухом давлением до 8,4 бара. Основные сферы применения насоса - это химическая и пищевая промышленность. Материалы конструкции должны соответствовать химическому составу и температуре обрабатываемой жидкости.
Возможные маркировки, в них зашифрованы материалы исполнения данной модели:
MK80AL-SS/ST/ST/ST - корпус из нержавеющей стали (SS), центральная часть из алюминия (AL), диафрагмы, клапана и седла из сантопрена (ST). Максимальная рабочая температура жидкости 82 °C;
MK80AL-SS/HY/HY/HY - корпус из нержавеющей стали (SS), центральная часть из алюминия (AL), диафрагмы, клапана и седла из хайтрела (HY). Максимальная рабочая температура жидкости 66 °C;
MK80AL-SS/TF/TF/TF - корпус из нержавеющей стали (SS), центральная часть из алюминия (AL), диафрагмы, клапана и седла из тефлона (TF). Максимальная рабочая температура жидкости 104 °C;
MK80AL-SS/VT/TF/VT - корпус из нержавеющей стали (SS), центральная часть из алюминия (AL), диафрагмы из витона (VT), клапана из тефлона (TF), седла из витона. Максимальная рабочая температура жидкости 135 °C.
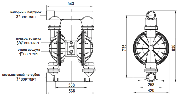
Производительность насоса имеет диапазон от 20 до 1060 л/мин (от 1,2 до 63,6 м3/час) с предельным расходом воздуха 9,8 м3/мин (9800 л/мин), а максимальный напор достигает 84 метров при нулевой подаче. Высота самовсасывания по сухой линии до 5 м, в залитой линии до 8 м. Всасывающий и напорный патрубки 3" (BSPT). Штуцер подвода воздуха - 3/4" (BSPT).
Вес MK80AL-SS 120 кг.
График рабочих характеристик MK80AL-SS/TF/TF/TF
Габаритный чертеж насоса MK80AL-SS/TF/TF/TF
У нас пока нет отзывов по этой модели.
В настоящее время никто вопросов не задавал. Вы можете быть первым.




































_1.jpg)




























































































































































































































































Гарантия 12 мес.