Видео
Промывка мембранников
Промой мембранный насос правильно
Активный и пассивный демпферы пульсаций. Сравнительный тест.
Описание модели RV10P-TF
Мембранный пневматический насос RV10P-TF (полная заводская маркировка RV32911) выполнен из следующих материалов:
- корпус из полипропилена (PP),
- мембраны со стороны жидкости из Тефлона (PTFE),
- мембраны со стороны воздуха в этой модели не используются,
- седла из полипропилена (PP),
- шарики из Тефлона (PTFE).
Насос перекачивает жидкости различной химической активности, концентрации и вязкости.
Допустимо содержание взвешенных твердых частиц до 1,6 мм.
Давление воздуха на входе в насос должно быть от 0,8 до 7 бар.
Температура перекачиваемой жидкости для данной модели должна быть от +4 до +66 °C.
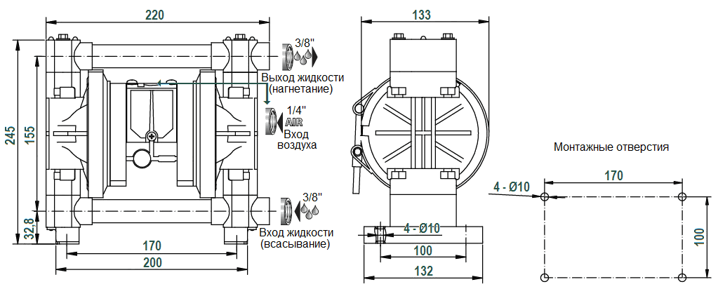
Производительность RV10P-TF находится в диапазоне от 0,06 до 1,35 кубометра в час (от 1 до 26,5 литра в минуту), наибольший напор равен 70 метрам (7 бар). Высота самовсасывания до 3,7 метра. Всасывающий и напорный патрубки 3/8". Вес насоса 2,5 кг.
Особенности конструкции пневмодвигателя серии RV
Пневматический двигатель насоса имеет сравнительно немного подвижных частей и прост в обслуживании, так как все части могут быть заменены без необходимости вскрытия полости жидкости. Алюминиевые детали подвергают анодной обработке окисления и имеют эпоксидное покрытие для защиты от коррозии, вызванной загрязненным воздухом.
Трехходовой реверсивный воздушный клапан работает без залипаний, отличается высокой механической прочностью и не требует смазки. Центральный шток из нержавеющей стали имеет интегративную структуру, обеспечивающую концентричное и свободное движение.
Конструкция пневмодвигателя позволяет перекачивать жидкость с пониженным потреблением воздуха. Более низкое энергопотребление косвенно подтверждается сравнительно низкими пульсациями в напорной линии, и тем фактом, что насос начинает работать уже при низком давлении (0,3-0,8 бара).

Рисунок 1. Детали конструкции пневмодвигателя River Wave
График эксплуатационных характеристик модели RV10P-TF
Габаритный чертеж насоса River Wave RV10P-TF
Комплект поставки
- Насос.
- Шумоглушитель.
- Паспорт-инструкция.
У нас пока нет отзывов по этой модели.
В настоящее время никто вопросов не задавал. Вы можете быть первым.




































_1.jpg)






























































































































































































































































Гарантия 12 мес.