Описание модели BY-PASS 3000 INLINE DC 12V
Самовсасывающий насос для дизельного топлива Piusi BY-PASS 3000 INLINE DC 12V это шиберный насос в чугунном корпусе, работающий от питания 12 Вольт. Он перекачивает дизтопливо со скоростью до 50 л/мин, встроенный обводной клапан позволяет механически регулировать производительность.
Данный насос используется для заправки техники на объектах, удаленных от стационарных АЗС.
Чугунный корпус насоса покрыт антикоррозийной краской, ротор выполнен из закаленной стали, лопатки из полиоксиметилена. Для надежной установки у насоса предусмотрен опора-кронштейн, с помощью которого насос можно установить прямо
на платформе машин для земляных работ.
Производительность насоса до 3 м3/ч, что составляет 50 л/мин, напор до 15 м (1,5 бар).
Высота самовсасывания BY-PASS 3000 INLINE DC 12 V «по суху» 2 метра, по заполненной всасывающей линии 4 метра.
Насос рассчитан на работу при температуре от – 20 до 60 °C, при относительной влажности воздуха 90 %.
Модель BY-PASS 3000 прошла испытания - тестирование на электромагнитную совместимость (ЭМС) и вибрацию.
Полученные сертификаты подтверждают, что насос способен выдерживать высокий уровень механических колебаний и абсолютно
не создает помех в цепях питания.
Электродвигатель постоянного тока с питанием 12 V, 2900 об/мин, мощностью 0,3 кВт.
Класс защиты электрического блока IP 55. Провод питания в комплект не входит.
Рабочий цикл непрерывной работы насоса 30 мин. Тумблер вкл./выкл.на корпусе.
Встроенный фильтр снижает уровень шума до 70 дБ.
Артикул модели F00357500.

Для данного насоса предусмотрен готовый комплект BatteryKit, куда входят необходимые для работы аксессуары:
кабель питания "крокодильчик" 2 метра, всасывающий шланг (для погружения в бочку), напорный шланг с пистолетом, донный клапан.
Что входит в комплект поставки насосов Piusi
- Насос.
- Инструкция.
- Аксессуары в зависимости от выбранной комплектации.
- Гарантия 24 месяца.
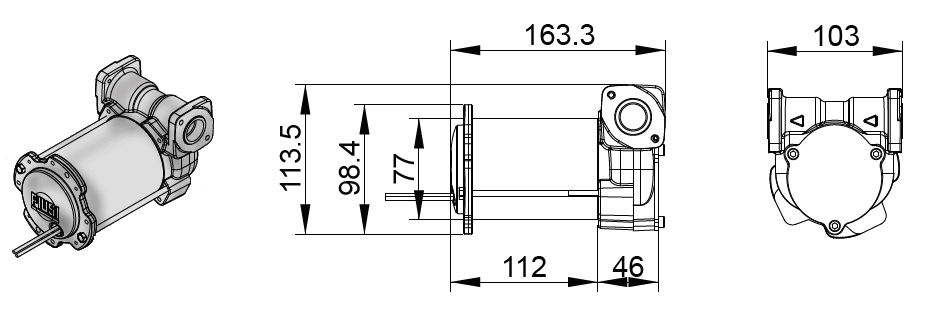
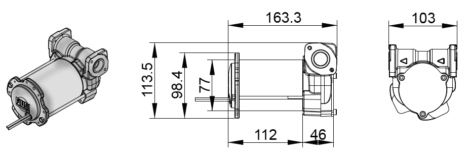
Габаритный чертеж насоса Piusi BY-PASS 3000 INLINE DC 12V
Кривые производительности
У нас пока нет отзывов по этой модели.
В настоящее время никто вопросов не задавал. Вы можете быть первым.




































_1.jpg)




























































































































































































































































Гарантия 12 мес.