Описание модели Panther DC 24/12V
Самовсасывающий насос для дизельного топлива PIUSI Bipump DC 12/24V это сдвоенный пластинчато-роторный насос повышенной мощности, работающий от питания 12 и 24 вольт. Он перекачивает дизтопливо со скоростью до 85 л/мин и способен опустошить стандартную 200-литровую бочку солярки менее чем за 3 минуты. Данный насос используется для заправки техники в полевых условиях или в условиях отсутствия подключения к сети переменного тока.
Конструкция насоса представляет собой тандем из двух насосов PIUSI Panther DC объединенных в одном корпусе.Оба насоса запускаются одновременно, что позволяет добиться повышенной производительности.
Чугунный корпус насоса покрыт антикоррозийной краской, ротор выполнен из закаленной стали, лопатки из полиоксиметилена.
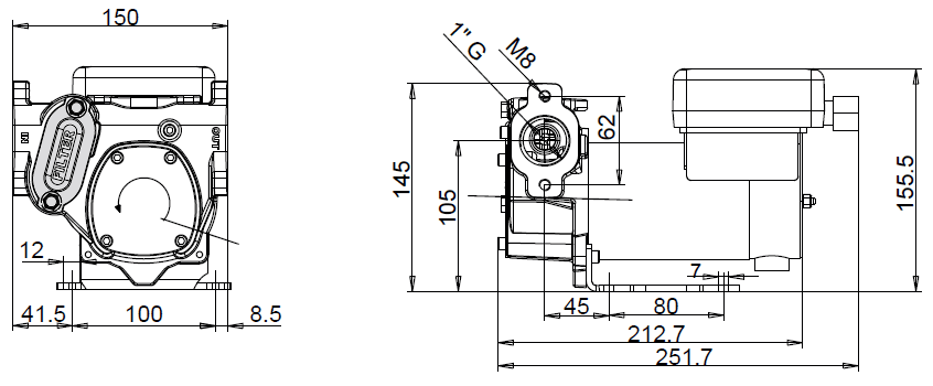
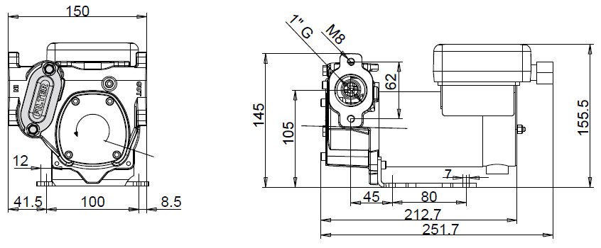
Присоединительные размеры патрубков вход/выход 1 ” BSP – фланец.
Bipump DC 12/24V оснащен обводным клапаном (байпас), который защищает насос при остановке потока.
Производительность насоса PIUSI Bipump DC 12/24V до 5,1 м3/ч, что составляет 85 л/мин, напор до 12,5 м (1,2 бар).
Высота самовсасывания по «сухой» всасывающей линии 2 метра, по заполненной линии 4 метра.
Рекомендуемое максимальное расстояние до емкости с топливом 6 метров.
Насос рассчитан на работу при температуре от – 20 до 60 °C, при относительной влажности воздуха 90 %.
Электродвигатель постоянного тока с питанием 12/24 В, 2000 об/мин, мощностью 0,5 кВт.
Класс защиты электрического блока IP 55. Рабочий цикл непрерывной работы 30 мин.
Артикул модели F0036321A (без кабеля питания и тумблера вкл./выкл.)
Для данного насоса предусмотрен готовый комплект Kit Carry, куда входят необходимые для работы аксессуары: кабель питания "крокодильчик", напорный шланг с пистолетом, ручка для переноски.Что входит в комплект поставки насосов Piusi
- Насос.
- Инструкция.
- Аксессуары в зависимости от выбранной комплектации.
- Гарантия 24 месяца.
Габаритный чертеж насоса Piusi Panther DC 24/12V
Кривые производительности
У нас пока нет отзывов по этой модели.
В настоящее время никто вопросов не задавал. Вы можете быть первым.




































_1.jpg)




























































































































































































































































Гарантия 12 мес.