Описание модели Panther DC 12V
Самовсасывающий шиберный насос Piusi Panther DC 12V предназначен для перекачки дизельного топлива и солярки. Это переносной насос в чугунном корпусе, работающий от питания 12 Вольт. Он перекачивает дизельное горючее со скоростью до 56 л/мин., оснащен встроенным байпасом и фильтром защиты от примесей. Насос используют для заправки дизельных транспортных средств на объектах, удаленных от АЗС.
Устройство насоса Piusi Panther DC 12V

Чугунный корпус покрыт антикоррозийной краской, ротор выполнен из закаленной стали, лопатки из полиоксиметилена.
Уплотнение вала насоса механическое.
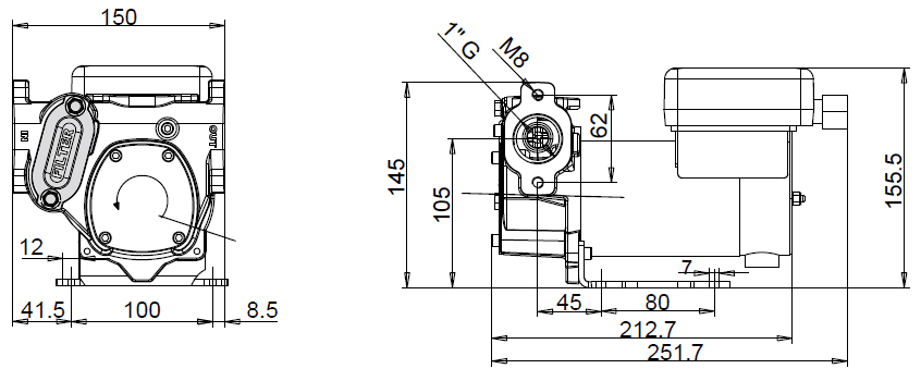
Присоединительные размеры патрубков вход/выход 1 ” BSP.
На входящем патрубке встроен жесткий фильтр 100 мкм, который задерживает различные виды твердых частиц.
Встроенный обводной клапан защищает насос при остановке потока, перепуская жидкость с выхода на вход.
С помощью надежной опоры насос можно установить прямо на платформе экскаваторов, бульдозеров, скреперов, катков,
буровых машин.
Производительность насоса до 3,36 м3/ч, что составляет 56 л/мин, напор до 15 м (1,5 бар).
Высота самовсасывания Panther DC 12V «по суху» 2 метра, по заполненной всасывающей линии 4 метра.
Насос рассчитан на работу при температуре от – 20 до 60 °C.
Электродвигатель постоянного тока с питанием 12 V, 2900 об/мин, мощностью 0,42 кВт.
Класс защиты электрического блока IP 55. Провод питания в комплект не входит.
Насос используется в прерывистом режиме работы с циклом 30-минут.
Распределительная коробка с тумблером вкл/выкл.
Встроенный фильтр снижает уровень шума до 75 дБ.
Артикул модели F0034000B.
Для данного насоса предусмотрен готовый комплект Kit Carry, куда входят необходимые для работы аксессуары:
кабель питания "крокодильчик", напорный шланг и раздаточный пистолет.
Что входит в комплект поставки насосов Piusi
- Насос.
- Инструкция.
- Аксессуары в зависимости от выбранной комплектации.
- Гарантия 24 месяца.
Габаритный чертеж насоса Piusi Panther DC 12V
Кривые производительности
У нас пока нет отзывов по этой модели.
В настоящее время никто вопросов не задавал. Вы можете быть первым.




































_1.jpg)




























































































































































































































































Гарантия 12 мес.