Описание модели E80 T
Самовсасывающий роторный насос Piusi E80 T предназначен для перекачивания летнего и зимнего дизельного топлива. Это мощный электрический насос в чугунном корпусе способный работать при низких температурах. Он оснащен обводным клапаном (байпас), с помощью которого регулируется давление.
Насос используется на промышленных предприятиях, в резервуарных нефтепарках, на сливных площадках АЗС и топливозаправочных пунктах.
Производительность модели до 4,2 м3/ч, что составляет 70 л/мин, максимальный напор 1,5 м.
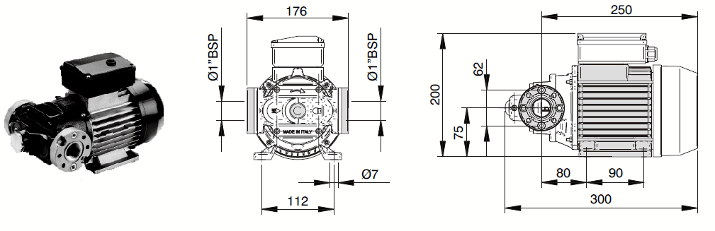
Фланцевые патрубки на входе/выходе с резьбовым соединением диаметром 1 " BSP (25 мм).
Piusi E80 T относится к типу самозаливающихся насосов. Он может прокачать воздушную пробку и всасывать дизтопливо из цистерн (емкостей) с высоты 2 м, высота самовсоса по заполненной всасывающей линии до 4 м.
Температурный диапазон работы насоса - 30 °С / + 60 °С.
Piusi E80 T оборудован асинхронным двигателем с питанием 380 В/50 Гц, номинальной мощностью 0,55 кВт, 1450 об/мин.
Длина кабеля питания 2 м. Класс защиты электрического блока IP55.
Благодаря тепловой защите от перегрузки двигателя, насос может работать в непрерывном режиме. Тумблер вкл/выкл. расположен на корпусе насоса.
Уровень шума 70 дБ.
Артикул модели Piusi E80 T - 000307000
Вспомогательное оборудование
Автоматический, либо ручной заправочный кран (пистолет)
Переходники и трубопроводы (шланги)
Счетчики расхода топлива.
Что входит в комплект поставки насосов Piusi
- Насос.
- Инструкция.
- Аксессуары в зависимости от выбранной комплектации.
- Гарантия 24 месяца.
Габаритный чертеж насоса Piusi E80 T
Кривые производительности
У нас пока нет отзывов по этой модели.
В настоящее время никто вопросов не задавал. Вы можете быть первым.




































_1.jpg)




























































































































































































































































Гарантия 12 мес.