Описание модели Panther 90 M
Самовсасывающий шиберный насос Piusi Panther 90 M предназначен для перекачки дизельного топлива и солярки. Это надежный насос в чугунном корпусе, работающий от питания 220 Вольт. Он перекачивает дизельное горючее со скоростью до 90 л/мин., оснащен встроенным байпасом и фильтром защиты от примесей. Насос используется на промышленных предприятиях, нефтебазах, сливных и топливораздаточных площадках.
Устройство насоса Piusi Panther 90 M
Чугунный корпус покрыт антикоррозийной краской, ротор выполнен из закаленной стали, лопатки из полиоксиметилена.
Уплотнение вала насоса механическое.
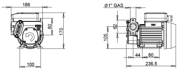
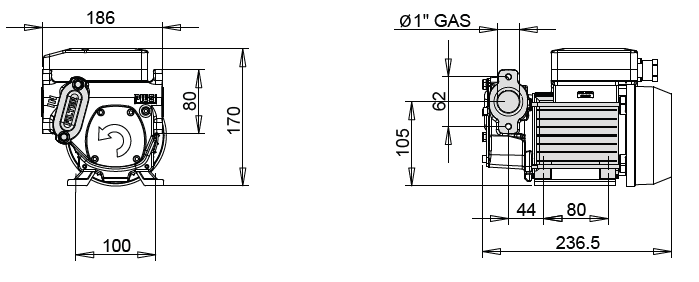
Присоединительные размеры патрубков вход/выход 1 ” фланцы с резьбой BSP.
На входящем патрубке встроен жесткий фильтр 100 мкм, который задерживает различные твердые частицы.
Встроенный обводной клапан (байпас) защищает насос при остановке потока, перепуская жидкость с выхода на вход.
Конструкция насоса компактна, для крепления предусмотрена опора-кронштейн.
Производительность насоса до 5,4 м3/ч, что составляет 90 л/мин, напор до 20 м (2 бар).
Высота самовсасывания Piusi Panther 90 M «по суху» 2 метра, по заполненной всасывающей линии 4 метра.
Насос рассчитан на работу при температуре от – 20 до 60 °C.
Электродвигатель переменного тока с питанием 220 В/50 Гц, 2900 об/мин, мощностью 0,7 кВт.
Класс защиты электрического блока IP 55.
Насос используется в прерывистом режиме работы с циклом 30-минут.
Распределительная коробка с тумблером вкл/выкл.
Встроенный фильтр снижает уровень шума до 75 дБ.
Артикул модели F0073302A.
Вспомогательное оборудование Panther 90 M
Автоматический, либо ручной заправочный кран (пистолет)
Переходники и трубопроводы (шланги)
Счетчики расхода топлива.
Что входит в комплект поставки насосов Piusi
- Насос.
- Инструкция.
- Аксессуары в зависимости от выбранной комплектации.
- Гарантия 24 месяца.
Габаритный чертеж насоса Piusi Panther 90 M
Кривые производительности
У нас пока нет отзывов по этой модели.
В настоящее время никто вопросов не задавал. Вы можете быть первым.




































_1.jpg)




























































































































































































































































Гарантия 12 мес.