Видео
Разборка насоса

Как правильно разобрать центробежный насос ZENOVA XZ
Сборка насоса

Как правильно собрать насос центробежный насос ZENOVA XZ
Описание модели XZ W18-30-2.2
Центробежный насос XZ W18-30-2.2 способен перекачивать чистую, слегка загрязненную и химически неактивную по отношению к материалам насоса воду температурой до +120 °C. Максимальный диаметр твердых частиц – 20 мм.
Насос имеет моноблочную конструкцию. Удлиненный вал двигателя заходит в корпус насоса. На этот вал посажено рабочее колесо. Рабочее колесо полуоткрытое - с широкими проходами для твердых частиц.
Корпус насоса и рабочее колесо выполнены из чугуна.
Комбинированный вал - проточная часть вала из стали AISI 304, а "сухая" часть из конструкционной стали #45. Между собой они соединены фрикционной сваркой.
Входной и выходной патрубок – резьбовое присоединение 2" (50 мм).
Насос работает только в горизонтальном положении в режиме самовсасывания или под гидравлическим напором. Высота самовсасывания равна 8 м.
Максимальная производительность модели 18 м3/ч (300 л/ мин), напор до 30 метров.
Оптимальная рабочая точка 10 м³/час при напоре 20 метров.
Двигатель мощностью 2,2 кВт, 3Ф~, 380 В (50 Гц), номинальная скорость 2900 об/мин (2Р).
Ограничения по эксплуатации
- Температура перекачиваемой жидкости – от -10 до +120 оС
- Температура окружающего воздуха не более +50 оС
- Для корректной работы в нижней точке всасывающей линии установите обратный клапан
- Высота самовсасывания – до 8 метров
- Максимальный напор - от 25 до 45 м.в.ст. (в зависимости от модели)
- Максимальное рабочее давление: 16 бар
- Допускается круглосуточная эксплуатация (S1)
Материалы конструкции

| 1. Выпускной клапан – PP | 10. Статор и ротор – электротехническая сталь, обмотка – медь
| 19. Клеммная колодка – PP |
| 2. Корпус насоса – чугун | 11. Корпус двигателя – алюминий | 20. Шпонка импеллера – чугун |
| 3. Импеллер – чугун (с буквой W в маркировке) ИЛИ нержавеющая сталь AISI 304 (без буквы W в маркировке) | 12. Ножка – PP | 21. Дефлектор воды – NBR |
| 4. Механическое уплотнение – графит-карбид кремния- нержавеющая сталь AISI 304 | 13. Крышка двигателя – чугун | 22. Соединительный болт – сталь |
| 5. Уплотнительное кольцо – NBR | 14. Усиленное уплотнение – NBR | 23. Гайка импеллера – оцинкованная сталь |
| 6. Соединение – чугун | 15. Крышка вентилятора – алюминий | 24. Выходной патрубок – чугун |
| 7. Усиленное уплотнение – NBR | 16. Вентилятор – PP | 25. Шариковый клапан – латунь |
| 8. Комбинированный вал – проточная часть вала из стали AISI 304, а «сухая» часть из конструкционной стали #45, что соединены между собой фрикционной сваркой. | 17. Сквозной болт – сталь | 26. Обратный клапан – латунь |
| 9. Шариковый подшипник NSK | 18. Клеммная коробка – алюминий | 27. Входной патрубок – чугун |
Области применения
- В промышленном производстве
- В сельском хозяйстве
- При добыче полезных ископаемых
- В строительстве
- В жилищно-коммунальном хозяйстве
- Для защиты окружающей среды
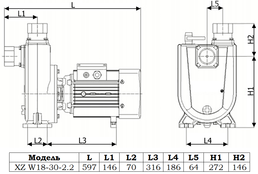
Габаритный чертеж модели Zenova XZ W18-30-2.2




































_1.jpg)
































































































































































































































































Гарантия 24 мес.
