Видео
Разбор + обзор
Разбор и первые впечатления от KCB-A CCM
Подключение
Как подключить шестеренный насос KCB-A
Анимация: принцип работы
Как работают насосы для горячих масел и битумов
Байпасный клапан
Виды и принцип работы байпасного клапана
Торцевое уплотнение
Быстрая замена торцевого уплотнения на шестерённом насосе KCB
Выставляем соосность
Как выставить соосность без специального оборудования
Мембранный vs Шестеренный
Какой насос выбрать? Шестеренный или мембранный!?
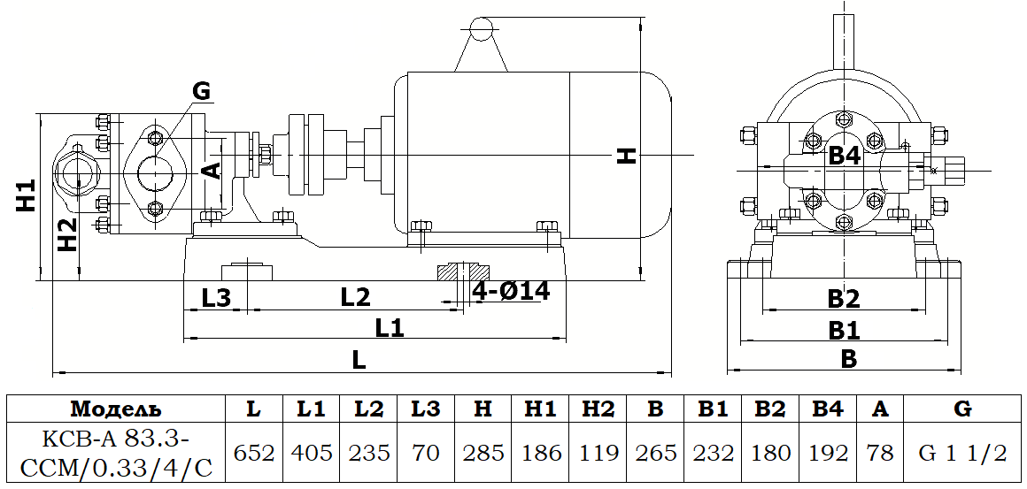
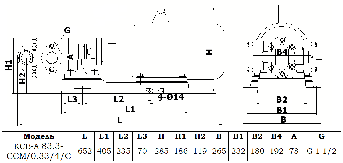
Описание модели KCB-A 83.3-CCM/0.33/4/C
Шестеренный насос KCB-A 83.3-CCM/0.33/4/C консольного типа служит для перекачивания горячих масел с температурой до +200 °С и неагрессивных маслянистых жидкостей без тяжелых примесей, твердых частиц и волокон.
Корпус и шестерни насоса выполнены из ковкого чугуна (Cast Iron).
Уплотнение - механическое, на деле оно обеспечивает надежную герметичность, выдерживает температуру жидкости до +200 °С.
По умолчанию насос оснащен предохранительным байпасным клапаном.
Производительность насоса 5 кубометров в час (83,3 литра в минуту), напорное давление 3,3 бар (33 метра). КПД 43 %.
Диаметр патрубков 1 1/2 " (40 мм), резьба.
Максимальная допустимая вязкость перекачиваемой жидкости составляет 10 000 сстокс.
Приводом насоса служит четырехполюсный двигатель 1450 об/мин, класс энергоэффективности IE3, мощностью 2,2 кВт.
Насос и двигатель расположены на единой раме и соединены полумуфтой.
Производительность и давление моделей KCB-A 83.3-CCM и KCB-A 135-CCM близки по значению, однако есть различия в цене и конструкции. Внутри насосов KCB-A 83.3-CCM установлены втулки скольжения, а внутри насосов KCB-A 135-CCM - подшипники NSK. Ниже приведена таблица с преимуществами и недостатками втулок и подшипников, чтобы вы могли выбрать более подходящий для себя вариант:
| Преимущества | Недостатки | |
| Втулки скольжения |
|
|
| Подшипники NSK |
|
|
Направления перекачки

Если смотреть на насос со стороны «головы», всасывающий патрубок находится справа, а напорный – слева; со стороны двигателя – наоборот. Направление работы каждого насоса уточняйте по стрелке на головке: насосы с головками одинакового размера вращаются и качают в одну и ту же сторону.
Конструкция шестеренных насосов KCB-A CCM
Насосы KCB-A имеют консольную структуру, где насос и электродвигатель имеют самостоятельные крепления и соединены полумуфтой на единой раме, соответственно, насос или электродвигатель можно заменить без демонтажа всей конструкции.
Насосная часть состоит из пары шестерен, эксцентрикового вала, чугунного корпуса, механического уплотнения и предохранительного клапана.
- Механическое (торцевое) уплотнение, наиболее беспроблемно в эксплуатации, выдерживает температуру жидкости до +200 °С
- Все насосы (кроме моделей с рубашкой обогрева) по умолчанию оснащены предохранительным байпасным клапаном, который открывается при избыточном давлении на напорной линии и возвращает жидкость обратно во всасывающую линию (или в резервуар) для уменьшения давления в напорной линии. Клапан рассчитан лишь на кратковременное включение, не на постоянную работу. Если давление в напорной линии длительное время превышает максимальное давление насоса, то для стравливания избыточного давления следует использовать отдельный от насоса байпасный клапан, рассчитанный на длительную работу
- Небольшие модели насосов с 18-й до 83-й имеют внутри втулки скольжения. Модели 135-960 содержат по 4 подшипника. Начиная с модельного ряда KCB-A CCM 2024 г. выпуска, модель подшипников улучшена до высокотемпературных NSK
- У всех моделей естественное воздушное охлаждение.
- Фланец из ряда PN 10 по стандарту GB/T 9119.
Условия эксплуатации
Насосы рекомендованы для промышленного применения в системах перекачивания и нагнетания термальных, моторных, гидравлических масел, дизтоплива, сырой нефти и так далее
- Перекачиваемые масла и прочие жидкости должны быть чистыми
- Температура перекачиваемой жидкости до +200 °С
- Температура окружающей среды не должна превышать + 35 °С
- Насос может поднимать жидкость с высоты до 5 метров. Однако самовсос на сухую запрещен – необходимо предварительное заполнение всасывающей линии
- В спецификации к насосам указано номинальное потребление тока. В реальности оно может отличаться и превышать номинальное в 1,5 раза. Это нужно учитывать при подборе автомата защиты
Материалы конструкции
- Корпус насоса – чугун (кроме моделей с рубашкой обогрева: у них корпус выполнен из углеродистой стали C235)
- Шестерни и вал – легированная сталь 20CrTiMo с добавлением хрома, титана и молибдена
Шестерни и вал дополнительно проходят термообработку солями азота (азотирование) для повышения прочности, твердости и коррозионной стойкости - Механическое уплотнение из карбида кремния, нержавеющей стали и фторкаучука
- Высокотемпературный подшипник
Габаритный чертеж насоса KCB-A 83.3-CCM/0.33/4/C
Области применения
- Перекачивание различных вязких сред
- Перекачивание разнообразных вязких химикатов, клеев, смол, расплавов полимеров, вязких смазок и так далее
- Используются для перекачки продуктов переработки сосны (живицы, канифоли и скипидара), синтетических суспензий, толуола, различных красок, силикатного клея и меловой пасты
- Добыча нефти и производство нефтепродуктов
- Лакокрасочное производство




































_1.jpg)

































































































































































































































































Гарантия 18 мес.


