Видео
Прогрев насоса
Почему важно прогревать насос в начале работы
Подбор вакуумного фильтра
Вакуумные фильтры: как правильно подобрать?
Описание модели LB.40
Вакуумный насос DVP LB.40 - это классический роторно-пластинчатый одноступенчатый агрегат, предназначенный для получения вакуума в замкнутых объемах. В циркуляционную смазочную систему у этого насоса входит эффективный маслосепараторный блок, максимально понижающий содержание масляных паров в выпускаемом воздухе и очищающий масло с охлаждением его до рабочей температуры.
Данная модель широко применяется во многих областях, среди которых упаковка, дегазация смол и компаундов, вакуумные шприцы, аспираторы, термоформовочные машины, прижимы и захваты, производство композитов и стекла.
Ротор насоса установлен непосредственно на удлиненном вале специально спроектированного электродвигателя мощностью 1,1 кВт, 1400 об/мин. Такое соединение значительно упрощает и делает более экономичным техническое обслуживание.
Насос DVP LB.40 откачивает воздух и неагрессивные газы с быстротой от 0,1 до 40 м3/час до полного остаточного давления 0,5 мбар (0,4 мм рт. столба). Для работы насоса используется вакуумное масло BV 68 (SW 60) в объеме 1,5 литра.
Уровень шума не более 66 дБ.
Материалы конструкции
- Корпус - сталь
- Лопатки - алюминий.
Области применения
- Вакуумная сушка;
- Деревообрабатывающее производство;
- Дегазация;
- Вакуумные присоски и удержание грузов;
- Производство сублимированных продуктов;
- Химические предприятия;
- Производство полупроводников.
Комплект поставки
- Насос.
- Масло для первой заправки.
- Автоматическое газобалластное устройство (встроено).
- Обратный клапан (встроен).
- Для моделей с индексом 40 и больше — фильтр масляного тумана (встроен).
- Инструкция.
- Отдельный гарантийный талон не прилагается (гарантия 12 месяцев со дня продажи по накладной или товарному чеку).
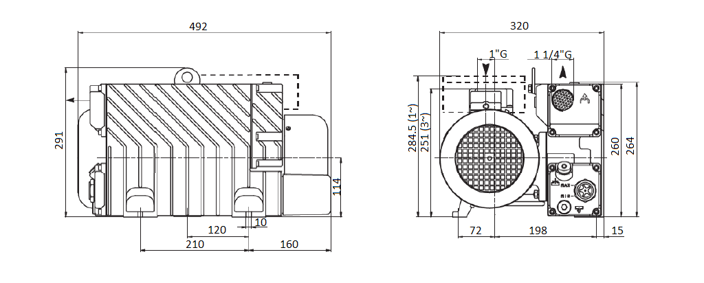
Габаритный чертеж насоса DVP LB.40
Кривые производительности
У нас пока нет отзывов по этой модели.
В настоящее время никто вопросов не задавал. Вы можете быть первым.




































_1.jpg)




























































































































































































































































Гарантия 12 мес.