Описание модели MEDIOJET_2,55
Одноступенчатая вихревая воздуходувка Esam MEDIOJET_2,55 (производство - Италия) позволяет перекачивать чистый воздух и прочие неагрессивные к алюминию газы. Корпус и рабочее колесо выполнены из алюминиевого литья.
- Максимальная производительность воздуходувки 330 м3/час при нулевом перепаде давлений.
- В режиме компрессора максимальный перепад давлений 220 мбар при расходе 175 м3/час. При таком перепаде давлений разница температур на входе и выходе в воздуходувку составляет 54 °C, а потребляемая мощность 2,65 кВт.
- В режиме вакуумного насоса максимальный перепад давлений 215 мбар при расходе 148 м3/час. При таком перепаде давлений разница температур на входе и выходе в воздуходувку составляет 55 °C, а потребляемая мощность 2,75 кВт.
Воздуходувка MEDIOJET_2,55 оснащена встроенным шумоглушителем на входе и выходе, уровень шума составляет 76 дБ.
Электродвигатель
Воздуходувка MEDIOJET_2,55 оснащена трехфазным электродвигателем мощностью 2,55 кВт. Двигатель может быть подключен:
- треугольником (на 200-240 В) с номинальной силой тока 11,2 А.
- звездой (на 345-415 В) с номинальной силой тока 6,5 А.
Дополнительные комплектующие
При покупке воздуходувки MEDIOJET_2,55 рекомендуем также приобрести следующие дополнительные комплектующие:
1. Фильтр в сборе (конус) + соединение. Актуален при работе воздуходувки в режиме компрессора. Использование фильтра строго необходимо, если в воздуходувку поступает неочищенный воздух (например, с улицы).
2. Сменный бумажный фильтрующий элемент (для фильтра в сборе).
3. Вакуумный фильтр. Актуален при работе воздуходувки в режиме вакуумного насоса, если в емкости, откуда откачивается воздух, есть какие-то механические примеси.
4. Установочный комплект (клапан обратный, манометр, гибкий шланг с фитингами, 4 антивибрационных кронштейна).
5. Предохранительный клапан для защиты воздуходувки от перегрева при избыточном перепаде давлений (вакуумный или компрессорный клапан в зависимости от режима, в котором работает воздуходувка). Использование предохранительного клапана строго необходимо, если рабочий перепад давлений будет близок к максимально допустимому для этой модели.
Дополнительные комплектующие
При покупке воздуходувки MEDIOJET_2,55 рекомендуем также приобрести следующие дополнительные комплектующие:
1. Фильтр в сборе (конус) + соединение. Актуален при работе воздуходувки в режиме компрессора. Использование фильтра строго необходимо, если в воздуходувку поступает неочищенный воздух (например, с улицы).
2. Сменный бумажный фильтрующий элемент (для фильтра в сборе).
3. Вакуумный фильтр. Актуален при работе воздуходувки в режиме вакуумного насоса, если в емкости, откуда откачивается воздух, есть какие-то механические примеси.
4. Установочный комплект (клапан обратный, манометр, гибкий шланг с фитингами, 4 антивибрационных кронштейна).
5. Предохранительный клапан для защиты воздуходувки от перегрева при избыточном перепаде давлений (вакуумный или компрессорный клапан в зависимости от режима, в котором работает воздуходувка). Использование предохранительного клапана строго необходимо, если рабочий перепад давлений будет близок к максимально допустимому для этой модели.
Материалы конструкции
Корпус и рабочее колесо воздуходувок Esam изготовлены из алюминиевого литья (стандартно для всех вихревых воздуходувок).
Материалы прочих деталей не специфицируются.
Характеристики воздуходувки Esam MEDIOJET_2,55 в компрессорном режиме
Характеристики воздуходувки Esam MEDIOJET_2,55 в вакуумном режиме
Области применения
- Аэрация;
- Деревообработка;
- Типография;
- Медицина;
- Фармацевтика;
- Работа станков с ЧПУ;
- Системы пневмотранспорта;
- Процессы упаковки с использованием вакуума и др.
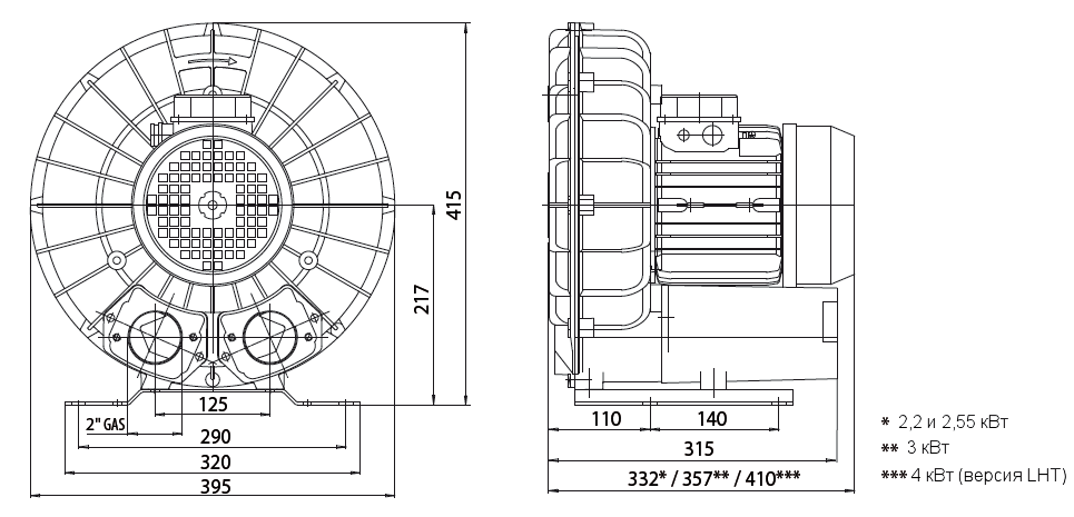
Габаритный чертеж воздуходувки Esam MEDIOJET_2,55
Видео

Китайская воздуходувка против итальянской. Сравнительный тест. Ищем смысл переплаты за европейца.
Разбор и сравнение воздуходувок RB и Esam
У нас пока нет отзывов по этой модели.
В настоящее время никто вопросов не задавал. Вы можете быть первым.




































_1.jpg)




























































































































































































































































Гарантия 12 мес.