Описание модели SV 8.130/1-401
Одноступенчатая вихревая воздуходувка SV 8.130/1-401 немецкой фирмы Becker оснащена встроенным частотным преобразователем. Она имеет рабочую точку по производительности 128 м3/ч при давлении 350 мбар. Обратите внимание внимание, что в других каталогах часто указывают максимальные значения производительности и давления, которые не следует учитывать при подборе.
Шумоглушитель
Воздуходувка SV 8.130/1-401 оснащена встроенным шумоглушителем на всосе и нагнетании, благодаря чему уровень шума составляет всего 75 дБ.
Аксессуары
При покупке воздуходувки SV 8.130/1-401 рекомендуем также приобрести следующие дополнительные комплектующие:
1. Фильтр в сборе (конус) + соединение.
2. Установочный комплект (гибкий шланг, клапан обратный, манометр, гибкий шланг с фитингами, антивибрационный кронштейн).
3. Бумажный фильтр.
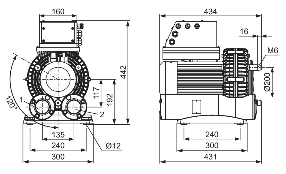
Габаритный чертеж воздуходувки SV 8.130/1-401
Кривые производительности
Видео
Вакуумные фильтры: как правильно подобрать?
Насколько горячий воздух в воздуходувке?
Герметизируем вихревую воздуходувку
Поднимет ли воздуходувка арбуз?
Кто громче: воздуходувка или оперный певец?
Разбираем воздуходувку правильно, без поломок и лишних деталей
Как (не) сжечь подшипники у воздуходувки
У нас пока нет отзывов по этой модели.
В настоящее время никто вопросов не задавал. Вы можете быть первым.




































_1.jpg)




























































































































































































































































Гарантия 12 мес.