Описание модели NM 25/20B/A-R5
Центробежный моноблочный насос Calpeda NM 25/20B/A-R5 производится в Италии. Он позволяет перекачивать горячие масла с температурой до +200 °C.
Буква R в маркировке модели означает использование специального уплотнения EYXYKRY/EYXYQKY (что отличает этот насос от стандартной модели серии NM). Пара трения здесь - это карбид вольфрама и карбид кремния. Уплотнительные кольца из фторкаучука FPM (Viton). Благодаря этому насос может работать с горячим маслом.
Насос Calpeda NM 25/20B/A-R5 оснащен трехфазным электродвигателем мощностью 2,2 кВт на 2900 об/мин.
Насос Calpeda NM 25/20B/A-R5 обеспечивает разную производительность в зависимости что перекачивает:
Если перекачивает горячее масло (трансмиссионное или моторное)
- 2 м3/час (33 л/мин) при напоре 42 метров,
- 6 м3/час (100 л/мин) при напоре 37,5 метров,
- 10 м3/час (166 л/мин) при напоре 30 метров.
Если перекачивает холодное масло (трансмиссионное или моторное):
При перекачивании холодного моторного или трансмиссионного масла максимальный расход может не превысить 3 м3/час (50 л/мин), а напор не превысит 25 метров. Реальный расход и напор будут зависеть от вязкости и температуры масла.
Если перекачивает холодную воду:
- 3 м3/час (50 л/мин) при напоре 42 метров,
- 6 м3/час (100 л/мин) при напоре 40 метров,
- 12 м3/час (200 л/мин) при напоре 29 метров.
Обратите внимание на следующие моменты:
1. Насос крайне желательно использовать для перекачивания горячего масла. Если перекачиваемое масло холодное, то оно будет более вязким, а значит производительность насоса может резко упасть.
2. Все указанные данные по производительности являются условными. Реальная производительность насоса будет зависеть от характеристик перекачиваемого масла (вязкость и температура).
3. Высокотемпературная модификация насоса снабжена стандартной инструкцией для обычной версии насоса.
Специальной инструкции для высокотемпературной модификации насоса производитель пока не предусмотрел.
Материалы конструкции
Корпус насоса - чугун
Рабочее колесо - латунь
Вал насоса - нержавеющая хромоникелевая сталь AISI 303
Механическое уплотнение - EYXYKRY/EYXYQKY. Пара трения карбид кремния/карбид вольфрама.
Уплотнительные кольца - FPM (Viton).
Нюанс с инструкцией
Насосы Calpeda NM-R5 являются отличным по цене и качеству решением для перекачивания горячего масла температурой до +200 °C. Однако есть один нюанс, с которым покупатель сталкивается при распаковке насосов этой линейки. Производитель пока не предусмотрел специальной инструкции для высокотемпературной версии R5. В коробке с высокотемпературным насосом будет лежать обычная инструкция для стандартных насосов NM, предназначенных для перекачивания чистой воды. Большинство наших клиентов этот момент не смущает и они легко справляются с установкой насоса. При необходимости мы всегда готовы провести техническую консультацию по вопросу установки и эксплуатации.
Комплект поставки
- Насос
- Оригинальная инструкция
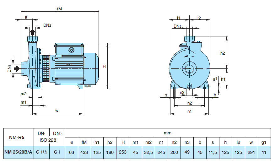
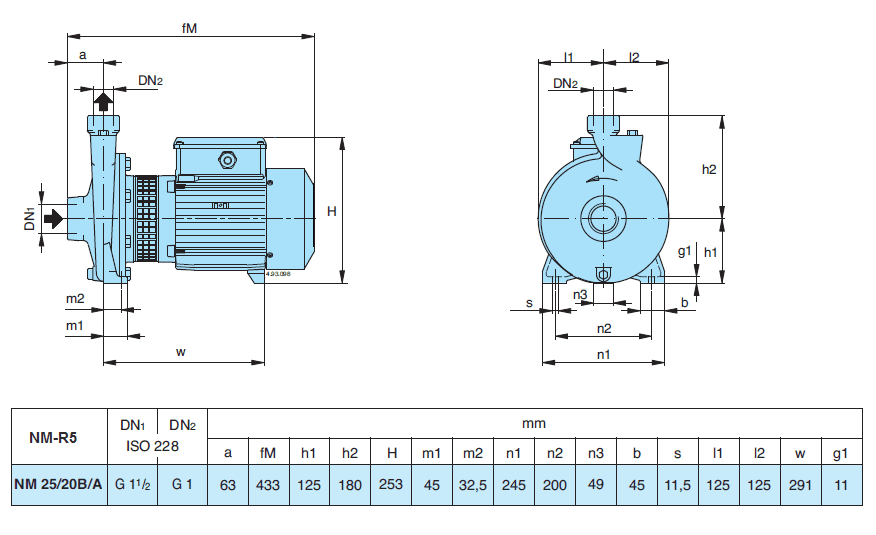
Габаритный чертеж насоса Calpeda NM 25/20B/A-R5
Кривые производительности
3D-фото
Сергей Р.
Отличный насос
Химическое производство
Используют модель: NM 32/16A/B-R5Отзыв оставлен: 2022-02-07 09:35:00
Насос Calpeda NM 32/16A/B-R5. Дата покупки 11.02.2021. Мы приобрели насос Calpeda NM 32/16A/B-R5, довольны работой насоса уже год, ни единой заминки, работает как часы, советуем к приобретению.
В настоящее время никто вопросов не задавал. Вы можете быть первым.




































_1.jpg)































































































































































































































































Гарантия 12 мес.