Описание модели NMD 20/140AE-R5
Центробежный моноблочный насос Calpeda NMD 20/140AE-R5 производится в Италии. Он позволяет перекачивать горячие масла с температурой до +200 °C.
Буква R в маркировке модели означает использование специального уплотнения EYXYKRY/EYXYQKY (что отличает этот насос от стандартной модели серии NM). Пара трения здесь - это карбид вольфрама и карбид кремния. Уплотнительные кольца из фторкаучука FPM (Viton). Благодаря этому насос может работать с горячим маслом.
Насос Calpeda NMD 20/140AE-R5 оснащен трехфазным электродвигателем мощностью 1,8 кВт на 2900 об/мин.
Насос Calpeda NMD 20/140AE-R5 обеспечивает разную производительность в зависимости что перекачивает:
Если перекачивает горячее масло (трансмиссионное или моторное)
- 4,8 м3/час (80 л/мин) при напоре 40 метров,
- 3,6 м3/час (60 л/мин) при напоре 52 метра,
- 1 м3/час (16,6 л/мин) при напоре 60 метров.
Если перекачивает холодное масло (трансмиссионное или моторное):
При перекачивании холодного моторного или трансмиссионного масла максимальный расход насоса может составить не более 1,5 м3/час (до 25 л/мин), а максимальный напор не превысит 35 метров. Реальный расход будет зависеть от вязкости и температуры масла.
Если перекачивает холодную воду:
- 6 м3/час (100 л/мин) при напоре 46 метров,
- 4,2 м3/час (70 л/мин) при напоре 57 метров,
- 1 м3/час (16,6 л/мин) при напоре 67 метров.
Обратите внимание на следующие моменты:
1. Насос крайне желательно использовать для перекачивания горячего масла. Если перекачиваемое масло холодное, то оно будет более вязким, а значит производительность насоса может резко упасть.
2. Все указанные данные по производительности являются условными. Реальная производительность насоса будет зависеть от характеристик перекачиваемого масла (вязкость и температура).
3. Высокотемпературная модификация насоса снабжена стандартной инструкцией для обычной версии насоса. Специальной инструкции для высокотемпературной модификации насоса производитель пока не предусмотрел.
4. Если насос будет помимо горячего масла также перекачивать воду, то ее температура не должна превышать +110 °C.
Материалы конструкции
Корпус насоса - чугун
Рабочее колесо - латунь
Вал насоса - нержавеющая хромоникелевая сталь AISI 303
Механическое уплотнение - EYXYKRY/EYXYQKY. Пара трения карбид кремния/карбид вольфрама.
Уплотнительные кольца - FPM (Viton).
Нюанс с инструкцией
Насосы Calpeda NM-R5 являются отличным по цене и качеству решением для перекачивания горячего масла температурой до +200 °C. Однако есть один нюанс, с которым покупатель сталкивается при распаковке насосов этой линейки. Производитель пока не предусмотрел специальной инструкции для высокотемпературной версии R5. В коробке с высокотемпературным насосом будет лежать обычная инструкция для стандартных насосов NM, предназначенных для перекачивания чистой воды. Большинство наших клиентов этот момент не смущает и они легко справляются с установкой насоса. При необходимости мы всегда готовы провести техническую консультацию по вопросу установки и эксплуатации.
Комплект поставки
- Насос
- Оригинальная инструкция
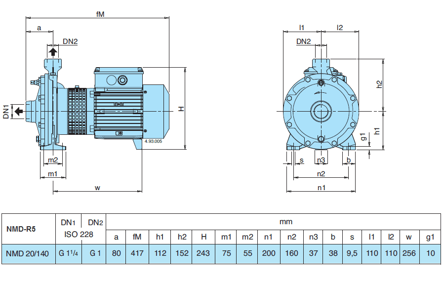
Габаритный чертеж насоса Calpeda NMD 20/140AE-R5
Кривые производительности
Сергей Р.
Отличный насос
Химическое производство
Используют модель: NM 32/16A/B-R5Отзыв оставлен: 2022-02-07 09:35:00
Насос Calpeda NM 32/16A/B-R5. Дата покупки 11.02.2021. Мы приобрели насос Calpeda NM 32/16A/B-R5, довольны работой насоса уже год, ни единой заминки, работает как часы, советуем к приобретению.
В настоящее время никто вопросов не задавал. Вы можете быть первым.




































_1.jpg)





























































































































































































































































Гарантия 12 мес.