Описание модели NM 40/16A/B-R5
Материалы конструкции
Нюанс с инструкцией
Насосы Calpeda NM-R5 являются отличным по цене и качеству решением для перекачивания горячего масла температурой до +200 °C. Однако есть один нюанс, с которым покупатель сталкивается при распаковке насосов этой линейки. Производитель пока не предусмотрел специальной инструкции для высокотемпературной версии R5. В коробке с высокотемпературным насосом будет лежать обычная инструкция для стандартных насосов NM, предназначенных для перекачивания чистой воды. Большинство наших клиентов этот момент не смущает и они легко справляются с установкой насоса. При необходимости мы всегда готовы провести техническую консультацию по вопросу установки и эксплуатации.
Комплект поставки
- Насос
- Оригинальная инструкция
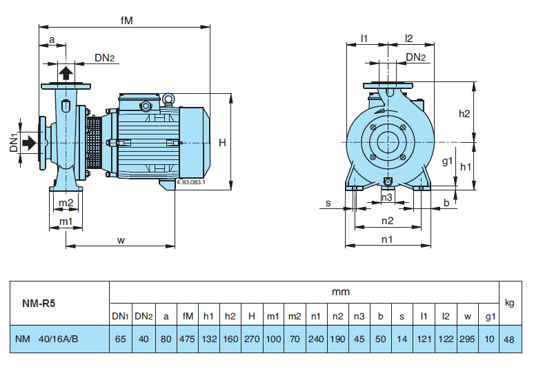
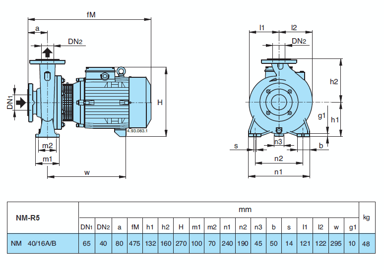
Габаритный чертеж насоса Calpeda NM 40/16A/B-R5




































_1.jpg)






























































































































































































































































Гарантия 12 мес.