Описание модели NM 32/16A/B-R5
Насос Calpeda NM 32/16A/B-R5 оснащен трехфазным электродвигателем мощностью 2,2 кВт на 2900 об/мин.
Как отличить высокотемпературный насос NM R5 для горячего масла от простого насоса NM для воды
Наши покупатели при получении насоса NM R5 часто задают нам вопрос точно ли он рассчитан на горячее масло. Дело в том, что производитель кладет в коробку с высокотемпературным насосом инструкцию от обычных насосов для воды серии NM. Это и сбивает людей с толку. Однако чтобы убедиться в правильности модели насоса, достаточно взглянуть на его шильдик:

Материалы конструкции
Нюанс с инструкцией
Насосы Calpeda NM-R5 являются отличным по цене и качеству решением для перекачивания горячего масла температурой до +200 °C. Однако есть один нюанс, с которым покупатель сталкивается при распаковке насосов этой линейки. Производитель пока не предусмотрел специальной инструкции для высокотемпературной версии R5. В коробке с высокотемпературным насосом будет лежать обычная инструкция для стандартных насосов NM, предназначенных для перекачивания чистой воды. Большинство наших клиентов этот момент не смущает и они легко справляются с установкой насоса. При необходимости мы всегда готовы провести техническую консультацию по вопросу установки и эксплуатации.
Комплект поставки
- Насос
- Оригинальная инструкция
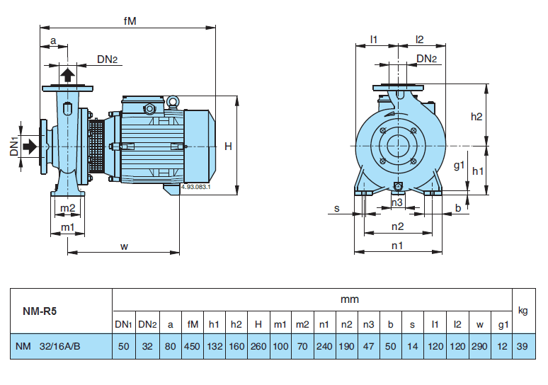
Габаритный чертеж насоса Calpeda NM 32/16A/B-R5




































_1.jpg)































































































































































































































































Гарантия 12 мес.