Описание модели PTD 50-15/2
Линейный циркуляционный насос PTD 50-15/2 - это мощный фланцевый циркуляционный насос для систем отопления или водоснабжения. Перекачивает воду или гликолесодержащие жидкости в замкнутых системах. Патрубки насоса расположены в одну линию (inline исполнение).
Производительность насоса PTD 50-15/2 колеблется от 5 до 25 кубометров в час (83,3 – 416,7 литров в минуту), напор соответственно от 13,3 до 16,1 метров водяного столба. При этом оптимальная рабочая точка производительности 20 кубометров в час (333,3 литров в минуту) при давлении 15 м.в.ст. Показатель КПД насоса в указанной точке 64%.
Линейный насос PTD 50-15/2 оснащен индукционным 2-полюсным трехфазным двигателем (n = 2900 оборотов в минуту), с номинальной мощностью 1,5 кВт (380 вольт).
Конструкция и конструкционные материалы
Это центробежные насосы с общим валом и одним рабочим колесом. В конструкции используется прямое подсоединение двигатель-насос. Подающий и всасывающий раструбы на корпусе расположены на одном валу и имеют одинаковый диаметр.
| Элемент насоса | Используемые материалы |
| Вал | Нержавеющая сталь AISI 304 |
| Механическое уплотнение | Карбон - SiC |
| Импеллер | Чугун |
| Корпус насоса Соединительная часть | Чугун |
Условия эксплуатации
- Температура внешней среды (воздуха): до 40°С
- Температура перекачиваемой среды: от -10 до 120°С
- Максимальное внутреннее давление: 16 бар.
- Допускается круглосуточная эксплуатация (S1).
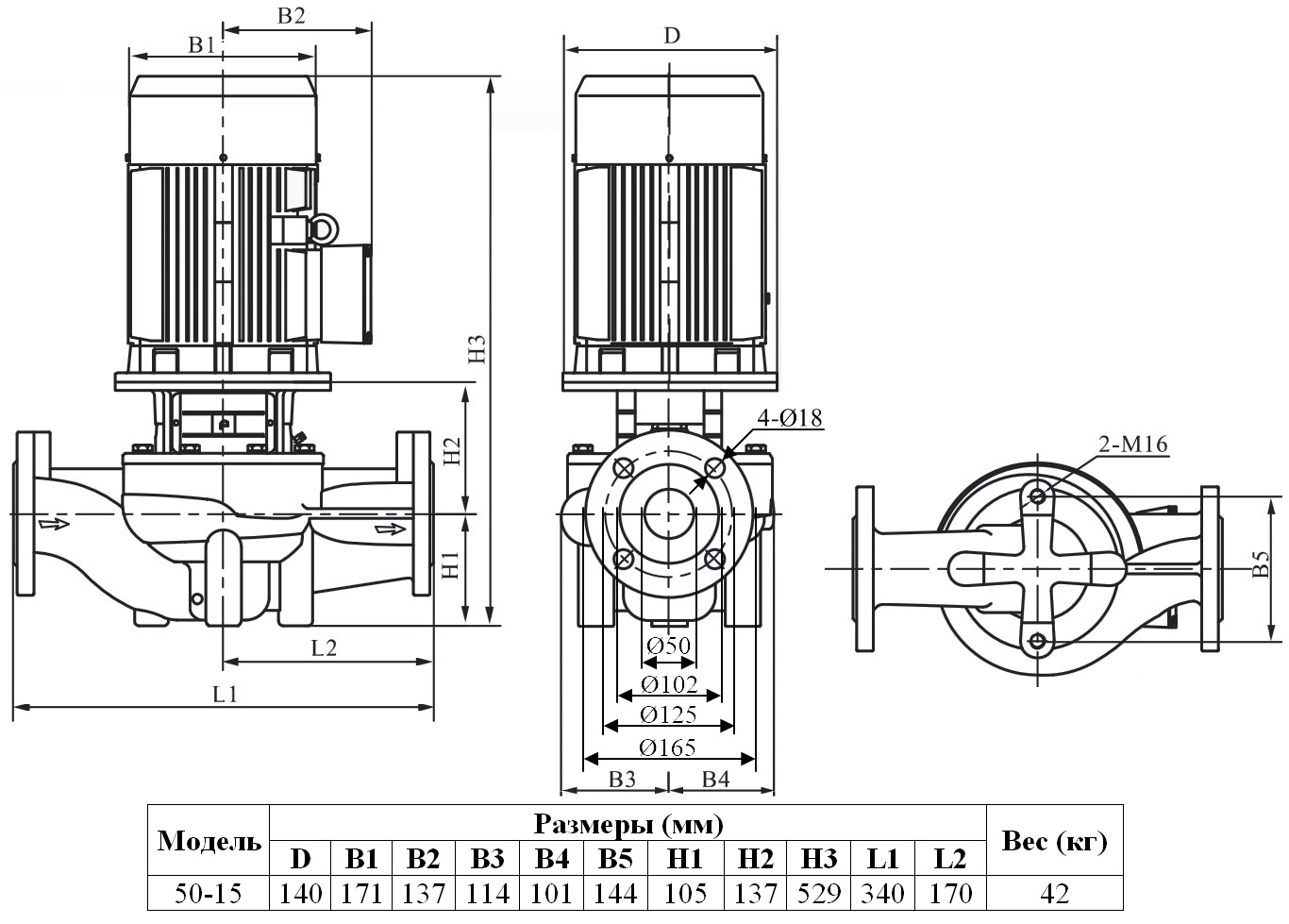
Габаритный чертеж модели PTD 50-15/2




































_1.jpg)




























































































































































































































































Гарантия 12 мес.