Описание модели SBN_2500/6/150
Погружной фекальный насос Zenit SBN_2500/6/150 относится к серии наиболее мощных насосов, используемых для очень грязной воды с твердыми телами и другими активными осадками. Данную модель лучше всего применять в очистных сооружениях, системах канализации, установках для подъема стоков и им подобных устройствах.
Модель имеет чугунный корпус и чугунную двухканальную закрытую крыльчатку. Большой свободный интегральный просвет позволяет выброс твердых тел, что предотвращает блокировку. Свободный проход твердых частиц до 90 мм.
У насоса горизонтальный фланцевый напорный патрубок 150 мм и удобная рукоятка. Внутри расположены механические уплотнения из карбида кремния, установленные серийно в масляном осматриваемом колодце.
Насос оборудован системой кабельной муфты для обеспечения водонепроницаемости.
Насос устанавливается на грунт на дополнительно приобретаемую опору на глубину до 20 метров.
По запросу поставляются насосы с системой охлаждения для вертикальной и горизонтальной сухой установки. В качестве охлаждающей жидкости можно использовать откачиваемую жидкость, если она не очень вязкая, не имеет много примесей, или жидкость, поступающую из внешнего источника.
Производительность насоса колеблется от 93,6 до 504 м3/час (от 1560 до 8400 л/мин), напор от 3,1 до 19,5 метров водяного столба. При этом оптимальная рабочая точка 280,8 м3/час (4680 л/минуту) при давлении 14.7 метра водяного столба.
Насос оснащен электродвигателем мощностью 18,5 кВт, тепловой защитой внутри статора и датчиком для обнаружения протечек воды через механическое уплотнение. Рассчитан на 20 запусков в час.
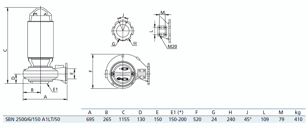
Габаритный чертеж насоса Zenit SBN 2500/6/150
У нас пока нет отзывов по этой модели.
В настоящее время никто вопросов не задавал. Вы можете быть первым.




































_1.jpg)




























































































































































































































































