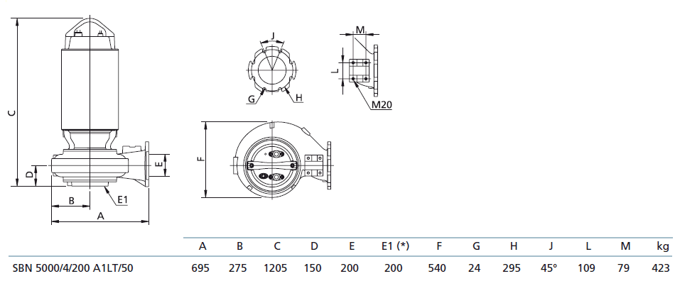
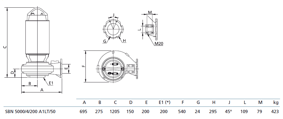
Описание модели SBN_5000/4/200
Погружной фекальный насос Zenit SBN_5000/4/200 относится к серии наиболее мощных насосов, используемых для очень грязной воды с твердыми телами и другими активными осадками. Данную модель лучше всего применять в очистных сооружениях, системах канализации, установках для подъема стоков и им подобных устройствах.
Модель имеет чугунный корпус и чугунную двухканальную закрытую крыльчатку. Большой свободный интегральный просвет позволяет выброс твердых тел, что предотвращает блокировку. Свободный проход твердых частиц до 140 мм.
У насоса горизонтальный фланцевый напорный патрубок 200 мм и удобная рукоятка. Внутри расположены механические уплотнения из карбида кремния, установленные серийно в масляном осматриваемом колодце.
Насос оборудован системой кабельной муфты для обеспечения водонепроницаемости.
Насос устанавливается на грунт на дополнительно приобретаемую опору на глубину до 20 метров.
По запросу поставляются насосы с системой охлаждения для вертикальной и горизонтальной сухой установки. В качестве охлаждающей жидкости можно использовать откачиваемую жидкость, если она не очень вязкая, не имеет много примесей, или жидкость, поступающую из внешнего источника.
Производительность насоса колеблется от 93,6 до 1123,2 м3/час (от 1560 до 18720 л/мин), напор от 2,1 до 28,7 метров водяного столба. При этом оптимальная рабочая точка 561,6 м3/час (9360 л/мин) при давлении 17,7 метра водяного столба.
Насос оснащен электродвигателем мощностью 37 кВт, тепловой защитой внутри статора и датчиком для обнаружения протечек воды через механическое уплотнение. Рассчитан на 20 запусков в час.
Габаритный чертеж насоса Zenit SBN 5000/4/200
Кривые производительности
У нас пока нет отзывов по этой модели.
В настоящее время никто вопросов не задавал. Вы можете быть первым.




































_1.jpg)




























































































































































































































































