Видео
Анимация: принцип работы
Как работает центробежный насос с магнитной муфтой
Выбираем насос для химии
Как выбрать насос для кислоты и другой химии
Описание модели SP22P-B-35 с э/д 7.5/380
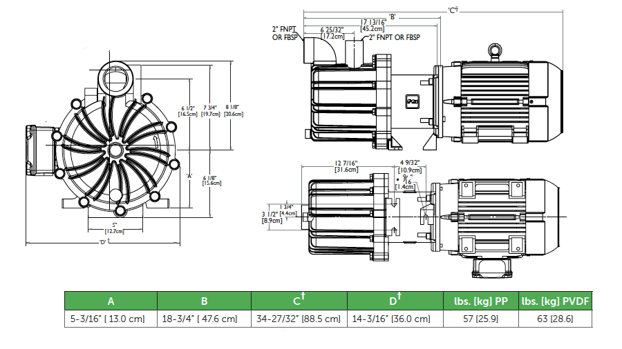
Самовсасывающий насос SP22P-B-35 с магнитной муфтой американской фирмы Finish Thompson обеспечивает производительность от 3 до 48 м3/час (от 50 до 800 л/мин) и напор до 38 метров. Рабочая точка по производительности 28 м3/ч при давлении 28,9 м.в.ст. Корпус выполнен из полипропилена. Насос SP22P-B-35 имеет резьбовые патрубки (фланцевое присоединение по запросу). Насос поставляется в коробке, с инструкцией на русском языке, гарантия составляет 1 год.
Насос SP22P-B-35 имеет закрытое рабочее колесо диаметром 178 мм. Установлен трехфазный электродвигатель мощностью 7,5 кВт. Допустимая плотность жидкости до 1,2 кг/дм3.
Самовсасывающая способность насоса SP22P-B-35
Перед первым пуском в насос следует залить не менее 9,5 литров перекачиваемой жидкости. При последующих пусках этого не потребуется, поскольку после останова в насосе остается необходимое количество жидкости. Максимальная высота самовсоса 7,6 метра достигается при нормальном атмосферном давлении.

Материалы конструкции

|
|
Деталь насоса | Модели из полипропилена | Модели из PVDF |
| 1 | Крышка насоса |
Полипропилен, армированный стекловолокном
|
PVDF, армированный углеродным волокном
|
| 2 | Рабочее колесо |
Полипропилен, армированный стекловолокном
|
PVDF, армированный углеродным волокном
|
| 3 | Внутренняя крышка рабочей камеры
|
Полипропилен, армированный стекловолокном
|
PVDF, армированный углеродным волокном
|
| 4 | Подшипник скольжения | Алюминиевая керамика высокой чистоты, карбид кремния | |
| 5 | Стопорное кольцо | Алюминиевая керамика высокой чистоты | |
| 6 | Шайба крепления импеллера | PTFE с добавлением дисульфида молибдена, карбид кремния | |
| 7 | Магниты ведомой части магнитной муфты
|
Неодимовые магниты в оболочке из полипропилена
|
Неодимовые магниты в оболочке из PVDF
|
| 8 | Ведущая часть магнитной муфты
|
Никелированные неодимовые магниты / сталь | |
| 9 | Втулка | По умолчанию из карбона, по заказу - из тефлона, алюминиевой керамики высокой чистоты или карбида кремния | |
| 10 | Вал | Алюминиевая керамика высокой чистоты, хастеллой С, карбид кремния | |
| 11,12,13 | Уплотнительное кольцо | FKM, EPDM (Simriz, Kalrez) | |
| 14 | Корпус двигателя | Сталь | |
| 15 | Распределительная пластина
|
Полипропилен, армированный стекловолокном
|
PVDF, армированный углеродным волокном
|
| 16 | Пространство рабочей камеры
|
Полипропилен, армированный стекловолокном
|
PVDF, армированный углеродным волокном
|
| 17 | Крышка сливного отверстия
|
|
|
Использование самовсасывающего свойства насосов SP

График рабочих характеристик насоса Finish Thompson SP22P-B-35 с э/д 7.5/380
Габаритный чертеж герметичного самовсасывающего насоса Finish Thompson SP22P-B-35 с э/д 7.5/380В




































_1.jpg)




























































































































































































































































Гарантия 12 мес.