Описание модели MM1E140B41B20
Мембранный дозирующий насос с электродвигателем Seko Kosmo MM1E140B41B20 позволяет дозировать все известные реагенты. Материал дозирующей головки насоса - поливинилиденфторид (PVDF), материал мембраны - PTFE (Ø 140 мм). Производительность насоса можно регулировать путем изменения длины хода мембраны с помощью микрометрического винта. Настройки производительности проводятся на остановленном или на работающем насосе, рекомендуемый диапазон регулировки от 30 до 100 %.
Номинальная производительность насоса 530 л/час. Максимальное рабочее давление 5 бар.
Длина хода мембраны 7,4 мм. Частота хода 156 имп./мин.
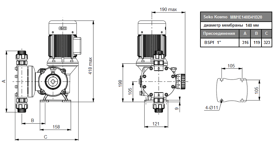
Присоединительный размер патрубков BSPf 1" (трубная резьба).
Насос оснащен трехфазным вертикально закрепленным электродвигателем 370 Вт (0,37 кВт) 380/220 В. 2Р. Класс защиты IP55.
Направление вращения двигателя по часовой стрелке, обозначено стикером на корпусе двигателя.
Условия эксплуатации
Максимальная температура рабочего потока +40 °С, ограничения температуры потока связаны с термостойкостью мембраны.
Габаритный чертеж насоса Seko Kosmo MM1E140B41B20




































_1.jpg)




























































































































































































































































Гарантия 12 мес.