Описание модели MM2I179F41D40
Мембранный дозирующий насос с электродвигателем Seko Kosmo MM2I179F41D40 позволяет дозировать все известные реагенты. Материал дозирующей головки насоса - поливинилиденфторид (PVDF), материал мембраны - PTFE (Ø 179 мм). Производительность насоса можно регулировать путем изменения длины хода мембраны с помощью микрометрического винта. Настройки производительности проводятся на остановленном или на работающем насосе, рекомендуемый диапазон регулировки от 30 до 100 %.
Номинальная производительность насоса 1600 л/час (96 м3/ч). Максимальное рабочее давление 4 бар.
Длина хода мембраны 15 мм. Частота хода 131 имп./мин.
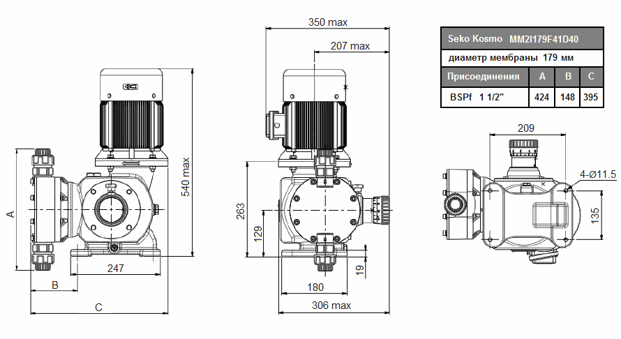
Присоединительный размер патрубков BSPf 1 1/2" (трубная резьба).
Насос оснащен трехфазным вертикально закрепленным электродвигателем 750 Вт (0,75 кВт) 380/220 В. 4Р. Класс защиты IP55.
Направление вращения двигателя по часовой стрелке, обозначено стикером на корпусе двигателя.
Условия эксплуатации
Максимальная температура рабочего потока +40 °С, ограничения температуры потока связаны с термостойкостью мембраны.
Габаритный чертеж насоса Seko Kosmo MM2I179F41D40




































_1.jpg)




























































































































































































































































Гарантия 12 мес.