Описание модели H200/WWWAA/FWS/WF/MWF
Мембранный пневматический насос H200/WWWAA/FWS/WF/MWF американской фирмы Wilden позволяет перекачивать с очень высоким давлением жидкости различной степени вязкости, в том числе с содержанием твердых включений. Технология увеличения давления дуплексная. Насос относится к серии Advanced, то есть детали корпуса соединены между собой болтами. Насос не боится работы на "закрытую задвижку". Соединение насоса резьбовое.
Производительность насоса H200/WWWAA/FWS/WF/MWF колеблется в диапазоне от 0,5 до 5 м3/час (от 2 до 18 л/мин). Напор до 20 бар (200 метров водяного столба). Температурный диапазон работы от -28 до +107 °C. Самовсос по сухому с высоты до 2,8 метра.
Расшифровка обозначения насоса
Маркировка H200/WWWAA/FWS/WF/MWF означает следующее:
H - тип воздушного клапана высокого давления
200 - типоразмер насоса
/WWW - проточная часть корпус, внешний пистон диафрагмы и воздушная камера из шаровидного чугуна
AA - центральный блок и воздушный клапан из алюминия
/FWS - мембрана из термопласта Saniflex (Hytrel)
/WF - шариковые клапаны из термопласта Wilflex (Santoprene)
/M - седло клапана из низкоуглеродистой стали
WF - уплотнение седла клапана и манифольдов из Wilflex (Santoprene)
График рабочих характеристик насоса Wilden H200/WWWAA/FWS/WF/MWF
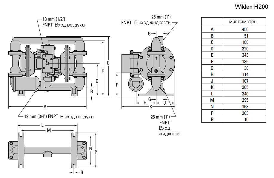
Габаритный чертеж насоса Wilden H200/WWWAA/FWS/WF/MWF
У нас пока нет отзывов по этой модели.
В настоящее время никто вопросов не задавал. Вы можете быть первым.




































_1.jpg)




























































































































































































































































Гарантия 12 мес.