Описание модели H400S/ASAAA/WFS/WF/ATF
Мембранный пневматический насос H400S/ASAAA/WFS/WF/ATF американской фирмы Wilden позволяет перекачивать с очень высоким давлением жидкости различной степени вязкости, в том числе с содержанием твердых включений. Технология увеличения давления симплексная. Насос относится к серии Advanced, то есть детали корпуса соединены между собой болтами. Насос не боится работы на "закрытую задвижку". Соединение насоса фланцевое.
Производительность насоса H400S/ASAAA/WFS/WF/ATF колеблется в диапазоне от 1 до 12,5 м3/час (от 2 до 18 л/мин). Напор до 15 бар (1500 метров водяного столба). Температурный диапазон работы от -40 до +107 °C. Самовсос по сухому с высоты до 3,1 метра.
Расшифровка обозначения насоса
Маркировка H400S/ASAAA/WFS/WF/ATF означает следующее:
H - тип воздушного клапана высокого давления
400 - типоразмер насоса
/A - проточная часть корпуса из алюминия
S - внешний пистон диафрагмы из нержавеющей стали
AAA - воздушная камера, центральный блок и воздушный клапан из алюминия
/WFS - мембрана из термопласта Wilflex (Santoprene)
/WF - шариковые клапаны из термопласта Wilflex (Santoprene)
/A - седло клапана из алюминия
TF - уплотнение седла клапана и манифольдов - Teflon
График рабочих характеристик насоса Wilden H400S/ASAAA/WFS/WF/ATF
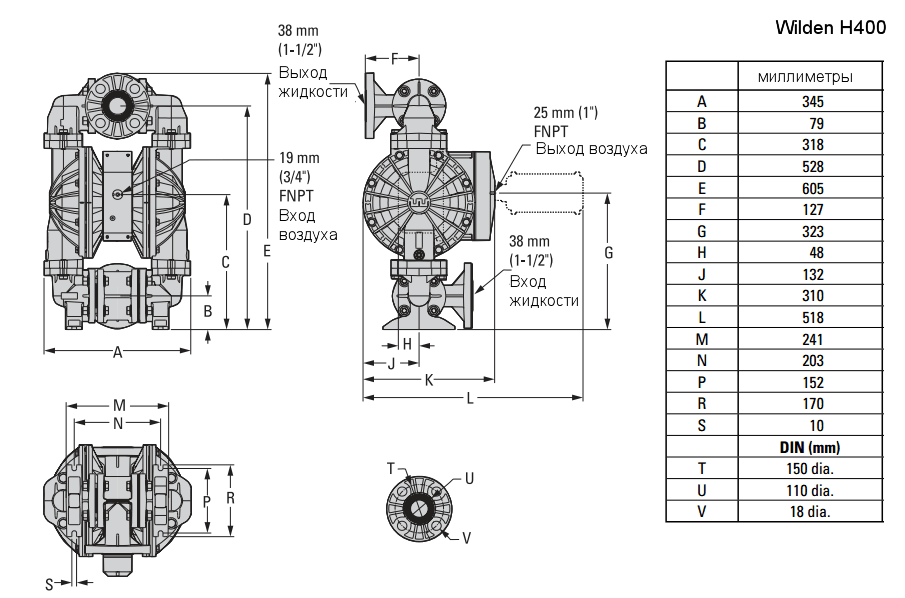
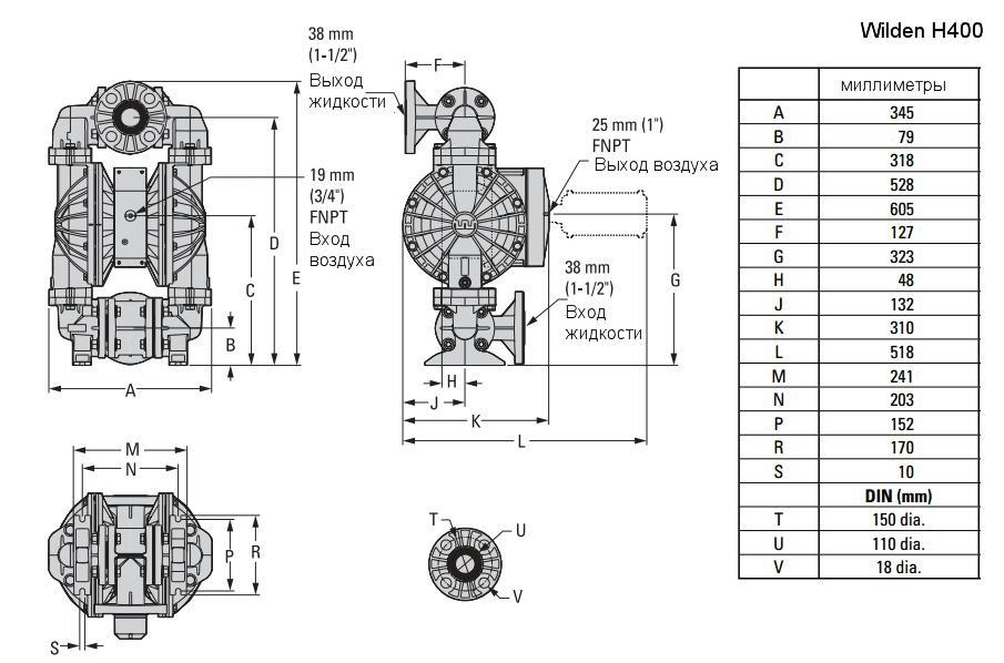
Габаритный чертеж насоса Wilden H400S/ASAAA/WFS/WF/ATF
У нас пока нет отзывов по этой модели.
В настоящее время никто вопросов не задавал. Вы можете быть первым.




































_1.jpg)




























































































































































































































































Гарантия 12 мес.