Описание модели H800/WWWAA/WFS/TF/MWF
Мембранный пневматический насос H800/WWWAA/WFS/TF/MWF американской фирмы Wilden позволяет перекачивать с очень высоким давлением жидкости различной степени вязкости, в том числе с содержанием твердых включений. Технология увеличения давления дуплексная. Насос относится к серии Advanced, то есть детали корпуса соединены между собой болтами. Насос не боится работы на "закрытую задвижку". Соединение насоса фланцевое.
Производительность насоса H800/WWWAA/WFS/TF/MWF колеблется в диапазоне от 1,5 до 20 м3/час (от 2 до 18 л/мин). Напор до 17 бар (170 метров водяного столба). Температурный диапазон работы от -40 до +107 °C. Самовсос по сухому с высоты до 3,6 метра.
Расшифровка обозначения насоса
Маркировка H800/WWWAA/WFS/TF/MWF означает следующее:
H - тип воздушного клапана высокого давления
800 - типоразмер насоса
/WWW - проточная часть корпус, внешний пистон диафрагмы и воздушная камера из шаровидного чугуна
AA - центральный блок и воздушный клапан из алюминия
/FWS - мембрана из термопласта Saniflex (Hytrel)
/TF - шариковые клапаны из фторопласта Teflon
/M - седло клапана из низкоуглеродистой стали
WF - уплотнение седла клапана и манифольдов из Wilflex (Santoprene)
График рабочих характеристик насоса Wilden H800/WWWAA/WFS/TF/MWF
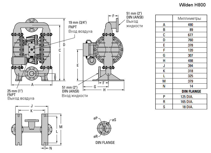
Габаритный чертеж насоса Wilden H800/WWWAA/WFS/TF/MWF
У нас пока нет отзывов по этой модели.
В настоящее время никто вопросов не задавал. Вы можете быть первым.




































_1.jpg)




























































































































































































































































Гарантия 12 мес.