Описание модели H38/3200D/AAP/PU/SS/SBN
Пневматический поршневой насос H38/3200D/AAP/PU/SS/SBN американской фирмы Wilden позволяет перекачивать различные жидкости с очень высоким напором. Жидкости могут быть вязкости, но не должны содержать твердых включений. Привод насоса пневматический, то есть насос получает энергию для работы от компрессора, а не от электродвигателя. Насос не боится ни сухого хода, ни работы на "закрытую задвижку". В модели H38/3200D/AAP/PU/SS/SBN установлен воздушный клапан ProFlo. Технология увеличения давления дуплексная.
Производительность насоса H38/3200D/AAP/PU/SS/SBN колеблется в диапазоне от 0,05 до 0,5 м3/час (от 0,8 до 6,6 л/мин). Напор до 220 бар (2200 метров водяного столба). Температурный диапазон работы от +12 до +65 °C. Самовсос по сухому с высоты до 7,1 метра.
Расшифровка обозначения насоса
Маркировка H38/3200D/AAP/PU/SS/SBN означает следующее:
H38 - типоразмер насоса
3200 - максимальное давление в фунтах на квадратный дюйм (около 220 бар)
D - дуплексный усилитель давления
/AA - центральная секция, воздушная камера из алюминия
P - воздушный клапан из полипропилена
/PU - уплотнение рабочего поршня из полиуретана
/SS - шариковые обратные клапаны из нержавеющей стали.
/SBN - седла шариковых клапанов из нержавеющей стали, а уплотнения из Buna-N.
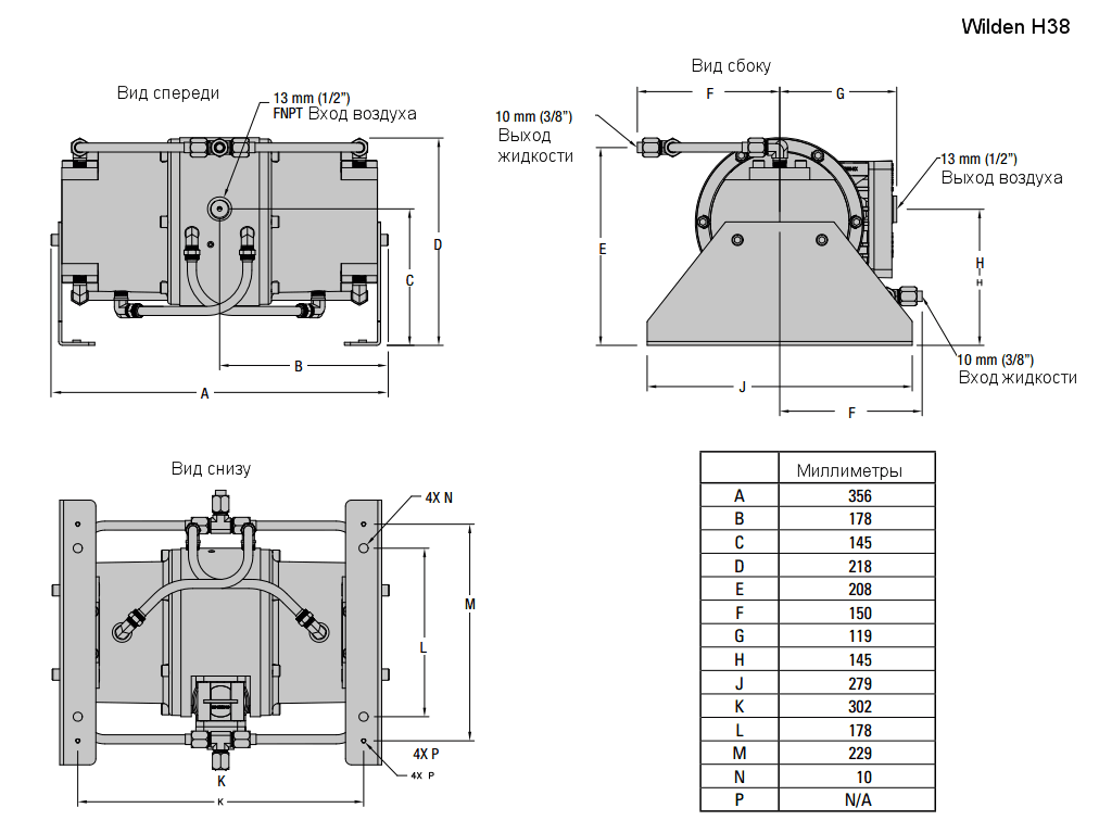
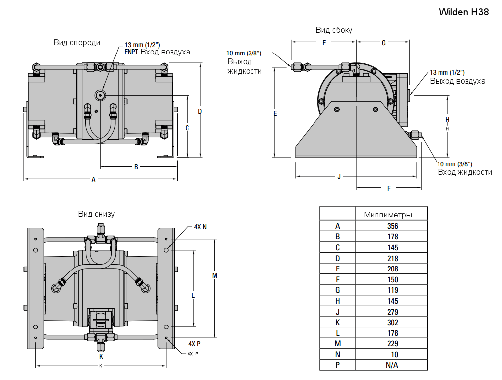
Габаритный чертеж насоса Wilden H38/3200D/AAP/PU/SS/SBN
Кривые производительности
У нас пока нет отзывов по этой модели.
В настоящее время никто вопросов не задавал. Вы можете быть первым.




































_1.jpg)




























































































































































































































































Гарантия 12 мес.