Видео
Выбираем насос для химии
Как выбрать насос для кислоты и другой химии
Промывка мембранников
Промой мембранный насос правильно
Активный и пассивный демпферы пульсаций. Сравнительный тест.
Описание модели BOXER 503-A
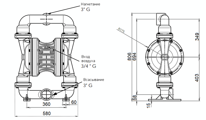
Мембранный пневматический насос BOXER 503-A нержавеющей стали итальянской фирмы Debem предназначен для перекачивания жидкостей, с которыми плохо справляются центробежные насосы. К ним относятся вязкие (до 50 000 сстокс), агрессивные, легковоспламеняющиеся жидкости с возможным содержанием твердых абразивных частиц. Насос BOXER 503-A при работе использует энергию сжатого воздуха от 2 до 8 бар (в паре с насосом необходим компрессор).
BOXER 503-A - это условное название модели, полный артикул насоса IB503A-MTTATI--, он содержит информацию о материалах элементов конструкции.

Корпус насоса BOXER 503-A выполнен из нержавеющей стали AISI 316. Мембраны сдвоенной конструкции Hytrel+PTFE: внутренняя мембрана со стороны воздуха из хайтрела, внешняя мембрана со стороны жидкости из тефлона. Шарики и седла клапана из нержавеющей стали, прокладки и уплотнительные кольца из тефлона.
По умолчанию насос имеет защищенное исполнение - сертифицирован по взрывозащите II 3/3 GD c IIB T 135°C (по запросу более высокая категория 2G).
Максимальная температура жидкости не должна превышать +95 °С.
Насос BOXER 503-A имеет производительность от 3 до 48 м3/час (от 50 до 800 л/мин). Напор зависит от давления сжатого воздуха, поэтому не может превышать 8 бар. Насос BOXER 503-AL может работать в режиме самовсоса, но при этом вязкость жидкости не должна превышать 10 000 сстокс. При высоте самовсоса 7 метров насос теряет 45% своей производительности.
Демпфер пульсации и фланцы
К насосу BOXER 503-А подходит гаситель пульсации EQUAFLUX 303 А (корпус гасителя из нержавеющей стали AISI 316, мембрана Hytrel+PTFE).
При необходимости может быть поставлен комплект из двух фланцев (накручиваются на резьбовые патрубки насоса), 80 мм.
График зависимости характеристик насоса BOXER 503-A от давления сжатого воздуха
Габаритный чертеж насоса Debem BOXER 503-A
У нас пока нет отзывов по этой модели.
В настоящее время никто вопросов не задавал. Вы можете быть первым.




































_1.jpg)




























































































































































































































































Гарантия 12 мес.