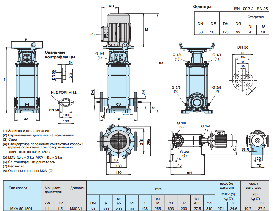
Описание модели MXV 50-1501
Насос Calpeda MXV 50-1501 - это вертикальный многоступенчатый насос высокого давления производства итальянского завода Calpeda. Насос имеет 1 рабочую ступень. Фланцевые патрубки насоса одинакового диаметра 50 мм, расположены на одной линии. Корпус насоса и все внутренние элементы изготовлены из хромоникелевой нержавеющей стали AISI 304. Модель предназначена для перекачивания чистой жидкости без твердых частиц, подходящей для нержавеющей стали. Применяется в промышленной, коммунальной, сельскохозяйственной и бытовой сфере.
Производительность насоса от 8,0 до 24,0 м3/час (от 133,3 до 400 л/мин.), напор до 14 метров водяного столба. Оптимальная рабочая точка производительности 16,0 м3/ч (266,7 литров в минуту) при давлении 9,5 метра водяного столба.
Насос оборудован трехфазным двигателем 380/220 В, 50 Гц, 2900 об/мин (2Р), номинальная мощность двигателя 1,1 кВт.
Ограничения по эксплуатации
- Температура перекачиваемой воды (или иной среды) от -15°С до +110°С (для серии MXV-B до +90 °С).
- Температура воздуха вокруг насоса не более 40°С.
- Давление внутри насоса, максимальное: 25 атмосфер.
Другие исполнения по запросу
- Для работы с другими напряжениями.
- С защитным устройством IP 55.
- Особые механические уплотнения.
- Уплотнительные кольца из витона.
- Для работы с другими температурами.
Габаритный чертеж насоса Calpeda MXV 50-1501




































_1.jpg)




























































































































































































































































Гарантия 36 мес.