Описание модели MXV 50-2014
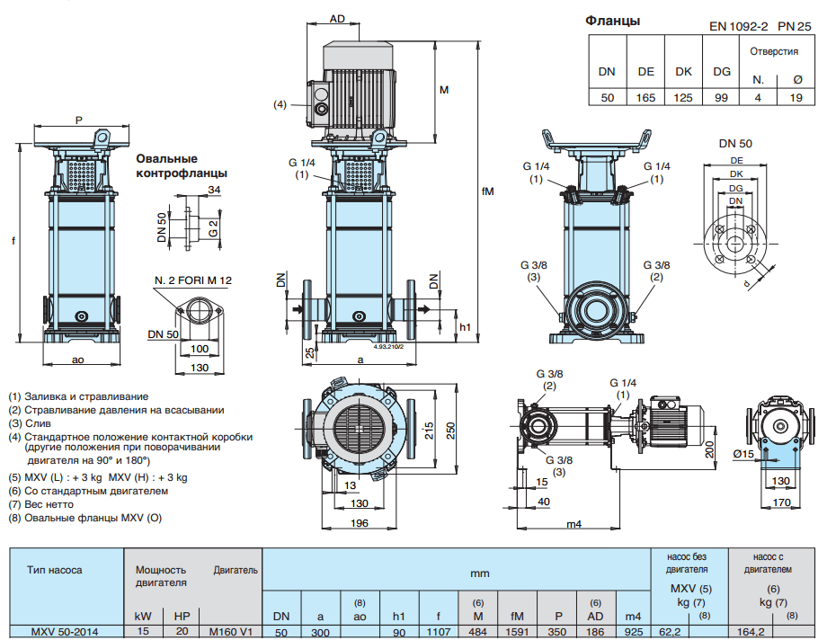
Насос Calpeda MXV 50-2014 - это вертикальный многоступенчатый насос высокого давления производства итальянского завода Calpeda. Насос имеет 14 рабочих ступеней. Фланцевые патрубки насоса одинакового диаметра 50 мм, расположены на одной линии. Корпус насоса и все внутренние элементы изготовлены из хромоникелевой нержавеющей стали AISI 304. Модель предназначена для перекачивания чистой жидкости без твердых частиц, подходящей для нержавеющей стали. Применяется в промышленной, коммунальной, сельскохозяйственной и бытовой сфере.
Производительность насоса от 10,0 до 28,0 м3/час (от 166,7 до 466,7 л/мин.), напор до 219 метров водяного столба. Оптимальная рабочая точка производительности 18,0 м3/ч (300 литров в минуту) при давлении 177 метров водяного столба.
Насос оборудован трехфазным двигателем 380 В, 50 Гц, 2900 об/мин (2Р), номинальная мощность двигателя 15 кВт.
Ограничения по эксплуатации
- Температура перекачиваемой воды (или иной среды) от -15°С до +110°С (для серии MXV-B до +90 °С).
- Температура воздуха вокруг насоса не более 40°С.
- Давление внутри насоса, максимальное: 25 атмосфер.
Другие исполнения по запросу
- Для работы с другими напряжениями.
- С защитным устройством IP 55.
- Особые механические уплотнения.
- Уплотнительные кольца из витона.
- Для работы с другими температурами.
Габаритный чертеж насоса Calpeda MXV 50-2014




































_1.jpg)




























































































































































































































































Гарантия 36 мес.