Видео
Подбор вакуумного фильтра
Вакуумные фильтры: как правильно подобрать?
Разборка
Разбираем воздуходувку правильно
Описание модели SV 5.690/2-500
Двухступенчатая вихревая воздуходувка SV 5.690/2-500 немецкой фирмы Becker имеет рабочую точку по производительности 215 м3/ч при давлении 500 мбар. Обратите внимание внимание, что в других каталогах часто указывают максимальные значения производительности и давления, которые не следует учитывать при подборе.
Шумоглушитель
Воздуходувка SV 5.690/2-500 оснащена встроенным шумоглушителем на всосе и нагнетании, благодаря чему уровень шума составляет всего 74 дБ.
Аксессуары
При покупке воздуходувки SV 5.690/2-500 рекомендуем также приобрести следующие дополнительные комплектующие:
1. Фильтр в сборе (конус) + соединение.
2. Установочный комплект (гибкий шланг, клапан обратный, манометр, гибкий шланг с фитингами, антивибрационный кронштейн).
3. Бумажный фильтр.
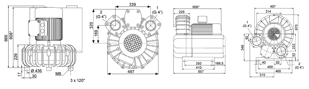
Габаритный чертеж воздуходувки SV 5.690/2-500
Кривые производительности
У нас пока нет отзывов по этой модели.
В настоящее время никто вопросов не задавал. Вы можете быть первым.




































_1.jpg)




























































































































































































































































Гарантия 12 мес.