Видео
Zenova RB vs Esam

Сравнительный тест воздуходувок Esam и Zenova RB
Разбор
Разбор и сравнение воздуходувок RB и Esam
Описание модели UNIJET 1500_15
Одноступенчатая вихревая воздуходувка Esam UNIJET 1500_15 (производство - Италия) позволяет перекачивать чистый воздух и прочие неагрессивные к алюминию газы. Корпус и рабочее колесо выполнены из алюминиевого литья.
- Максимальная производительность воздуходувки 1500 м3/час при нулевом перепаде давлений.
- В режиме компрессора максимальный перепад давлений 210 мбар при расходе 1070 м3/час. При таком перепаде давлений разница температур на входе и выходе в воздуходувку составляет 40 °C, а потребляемая мощность 16 кВт.
- В режиме вакуумного насоса максимальный перепад давлений 225 мбар при расходе 1000 м3/час. При таком перепаде давлений разница температур на входе и выходе в воздуходувку составляет 57 °C, а потребляемая мощность 16,7 кВт.
Воздуходувка UNIJET 1500_15 оснащена встроенным шумоглушителем на входе и выходе, уровень шума составляет 82 дБ.
Электродвигатель
Воздуходувка UNIJET 1500_15 оснащена трехфазным электродвигателем мощностью 15 кВт. Двигатель подключается треугольником (на 345-415 В) с номинальной силой тока 33,2 А.
Дополнительные комплектующие
При покупке воздуходувки UNIJET 1500_15 рекомендуем также приобрести следующие дополнительные комплектующие:
1. Фильтр в сборе (конус) + соединение. Актуален при работе воздуходувки в режиме компрессора. Использование фильтра строго необходимо, если в воздуходувку поступает неочищенный воздух (например, с улицы).
2. Сменный бумажный фильтрующий элемент (для фильтра в сборе).
3. Вакуумный фильтр. Актуален при работе воздуходувки в режиме вакуумного насоса, если в емкости, откуда откачивается воздух, есть какие-то механические примеси.
4. Установочный комплект (клапан обратный, манометр, гибкий шланг с фитингами, 4 антивибрационных кронштейна).
5. Предохранительный клапан для защиты воздуходувки от перегрева при избыточном перепаде давлений (вакуумный или компрессорный клапан в зависимости от режима, в котором работает воздуходувка). Использование предохранительного клапана строго необходимо, если рабочий перепад давлений будет близок к максимально допустимому для этой модели.
Дополнительные комплектующие
При покупке воздуходувки UNIJET 1500_15 рекомендуем также приобрести следующие дополнительные комплектующие:
1. Фильтр в сборе (конус) + соединение. Актуален при работе воздуходувки в режиме компрессора. Использование фильтра строго необходимо, если в воздуходувку поступает неочищенный воздух (например, с улицы).
2. Сменный бумажный фильтрующий элемент (для фильтра в сборе).
3. Вакуумный фильтр. Актуален при работе воздуходувки в режиме вакуумного насоса, если в емкости, откуда откачивается воздух, есть какие-то механические примеси.
4. Установочный комплект (клапан обратный, манометр, гибкий шланг с фитингами, 4 антивибрационных кронштейна).
5. Предохранительный клапан для защиты воздуходувки от перегрева при избыточном перепаде давлений (вакуумный или компрессорный клапан в зависимости от режима, в котором работает воздуходувка). Использование предохранительного клапана строго необходимо, если рабочий перепад давлений будет близок к максимально допустимому для этой модели.
Материалы конструкции
Корпус и рабочее колесо воздуходувок Esam изготовлены из алюминиевого литья (стандартно для всех вихревых воздуходувок).
Материалы прочих деталей не специфицируются.
Характеристики воздуходувки Esam UNIJET 1500_15 в компрессорном режиме
Характеристики воздуходувки Esam UNIJET 1500_15 в вакуумном режиме
Области применения
- Аэрация;
- Деревообработка;
- Типография;
- Медицина;
- Фармацевтика;
- Работа станков с ЧПУ;
- Системы пневмотранспорта;
- Процессы упаковки с использованием вакуума и др.
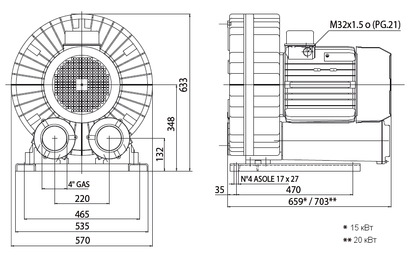
Габаритный чертеж воздуходувки Esam UNIJET 1500_15
У нас пока нет отзывов по этой модели.
В настоящее время никто вопросов не задавал. Вы можете быть первым.




































_1.jpg)





























































































































































































































































Гарантия 12 мес.