Описание модели SC.100
Сухой пластинчато-роторный вакуумный насос DVP SC.100 служит для снижения давления воздуха. Насос работает как с чистым воздухом так и с инертными газовыми смесями. Он позволяет достичь глубины вакуума 120 мбар (12 % атмосферного давления). Насос не требует заправки вакуумным маслом, используется в приложениях, где важно, чтобы воздух на выходе оставался чистым и безопасным. Страна производства насоса Италия.
Модель комплектуется фильтром на входе и шумоглушителем на выходе. Ротор насоса DVP SC.100 установлен на двух подшипниках, валы двигателя и насоса соединяются муфтой. Мощный вентилятор охлаждает корпус двигателя и насоса.
Объемный расход насоса до 100 м3/ч (1666 л/мин), предельное остаточное давление до 120 мбар.
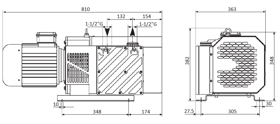
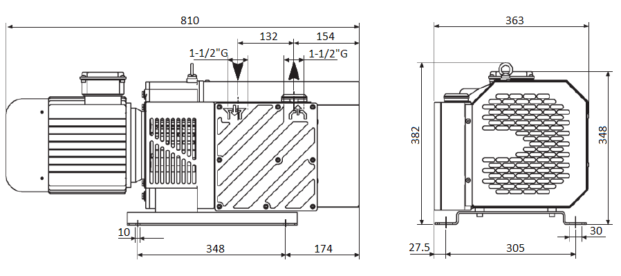
Всасывающий патрубок трубная резьба G 1-1/2" (40 мм). Выхлопной патрубок G 1-1/2" (40 мм), установлен глушитель.
Мощность двигателя 3.3 кВт, 1400 об/мин (4Р), 3~, стандартное питание 380 В. IE2.
Уровень шума насоса 75 дБ.
Рабочие температуры 78 ÷ 82° C, при температуре окружающей среды 20° C.
Конструкция насоса DVP SC.100
Почему сухие вакуумные насосы фирмы DVP имеют увеличенный срок службы пластин?
Что входит в комплектацию
- Насос.
- Воздушный фильтр (встроен) для предотвращения попадания пыли внутрь корпуса.
- Шумоглушитель на выходном патрубке.
- Инструкция
Габаритный чертеж насоса DVP SC.100




































_1.jpg)





























































































































































































































































Гарантия 12 мес.