Описание модели SB.10
Сухой пластинчато-роторный вакуумный насос DVP SB.10 служит для снижения давления воздуха. Насос работает как с чистым воздухом так и с инертными газовыми смесями. Он позволяет достичь глубины вакуума 120 мбар (12 % атмосферного давления). Насос не требует заправки вакуумным маслом, используется в приложениях, где важно, чтобы воздух на выходе оставался чистым и безопасным. Страна производства насоса Италия.
DVP SB.10 имеет компактные габариты, насос и двигатель имеют общий вал, вентилятор двигателя охлаждает корпус двигателя и насоса. Модель комплектуется фильтром на входе и шумоглушителем на выходе.
Объемный расход насоса до 10 м3/ч (166 л/мин), предельное остаточное давление до 120 мбар.
Всасывающий патрубок трубная резьба G 1/2" (15 мм). Выхлопной патрубок G 1/2" (15 мм), установлен глушитель.
Мощность двигателя 0.37 кВт, 1400 об/мин (4Р), 3~, стандартное питание 220 В.
Уровень шума насоса 64 дБ.
Рабочие температуры 70 ÷ 75° C, при температуре окружающей среды 20° C.
Конструкция насоса DVP SB.10
Почему сухие вакуумные насосы фирмы DVP имеют увеличенный срок службы пластин?
Что входит в комплектацию
- Насос.
- Воздушный фильтр (встроен) для предотвращения попадания пыли внутрь корпуса.
- Шумоглушитель на выходном патрубке.
- Инструкция
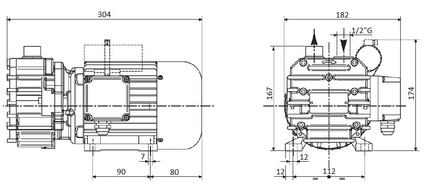
Габаритный чертеж насоса DVP SB.10




































_1.jpg)




























































































































































































































































Гарантия 12 мес.